EasyManua.ls Logo

Komatsu 80001 - Dimensions of Components

Komatsu 80001
1043 pages
Print Icon
To Next Page IconTo Next Page
To Next Page IconTo Next Page
To Previous Page IconTo Previous Page
To Previous Page IconTo Previous Page
Loading...
SEN03776-00 10 Structure, function and maintenance standard
4 PC130-8
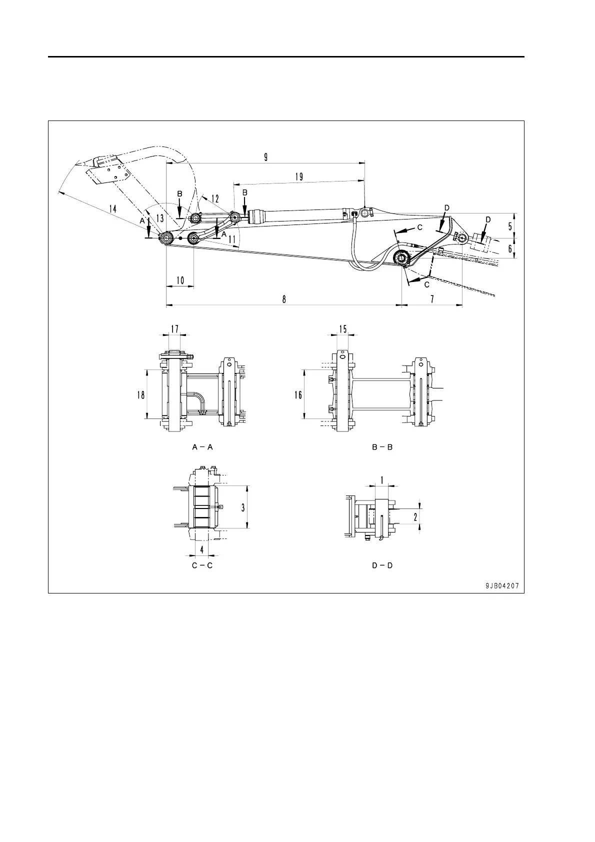
Dimensions of components 1
Arm

Table of Contents