EasyManua.ls Logo

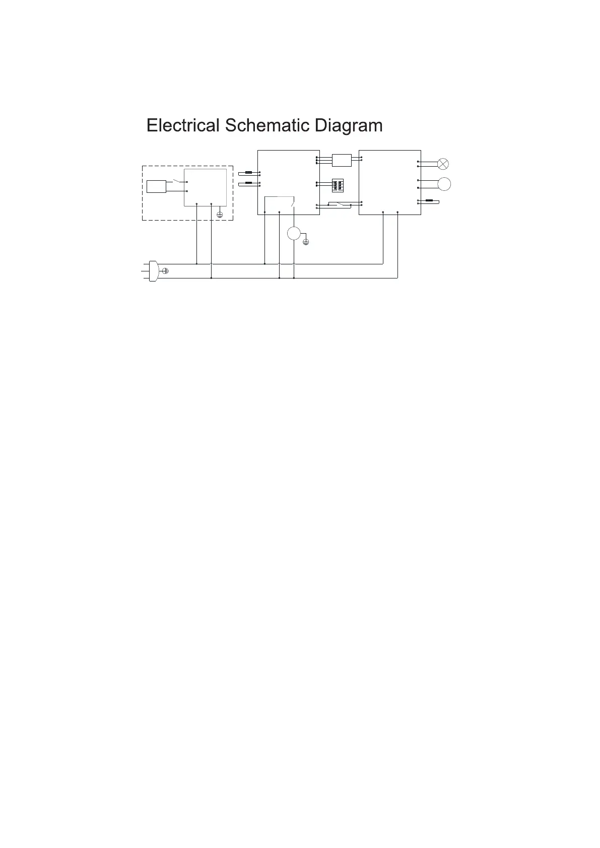
KoolMore KM-PHR-45C - Electrical Schematic Diagram

KoolMore KM-PHR-45C
20 pages
Print Icon
To Next Page IconTo Next Page
To Next Page IconTo Next Page
To Previous Page IconTo Previous Page
To Previous Page IconTo Previous Page
Loading...

AC 115V
wire
Supply
Controller
board
Temperature
M
~
Compressor
LED lamp
Refrigeration fan
Master control
Control sensor
Temperature sensor
Defrost sensor
M
-
Switching Power
Door heating
Switch
Door heating
optional
Alarm Terminal block
USB Panel
Door Switch
Normally open
Common
Optional

Related product manuals