EasyManua.ls Logo

Kortho Hot Quickcoder - Page 34

Default Icon
39 pages
Print Icon
To Next Page IconTo Next Page
To Next Page IconTo Next Page
To Previous Page IconTo Previous Page
To Previous Page IconTo Previous Page
Loading...
Kortho Hot Quickcoder User Manual
34
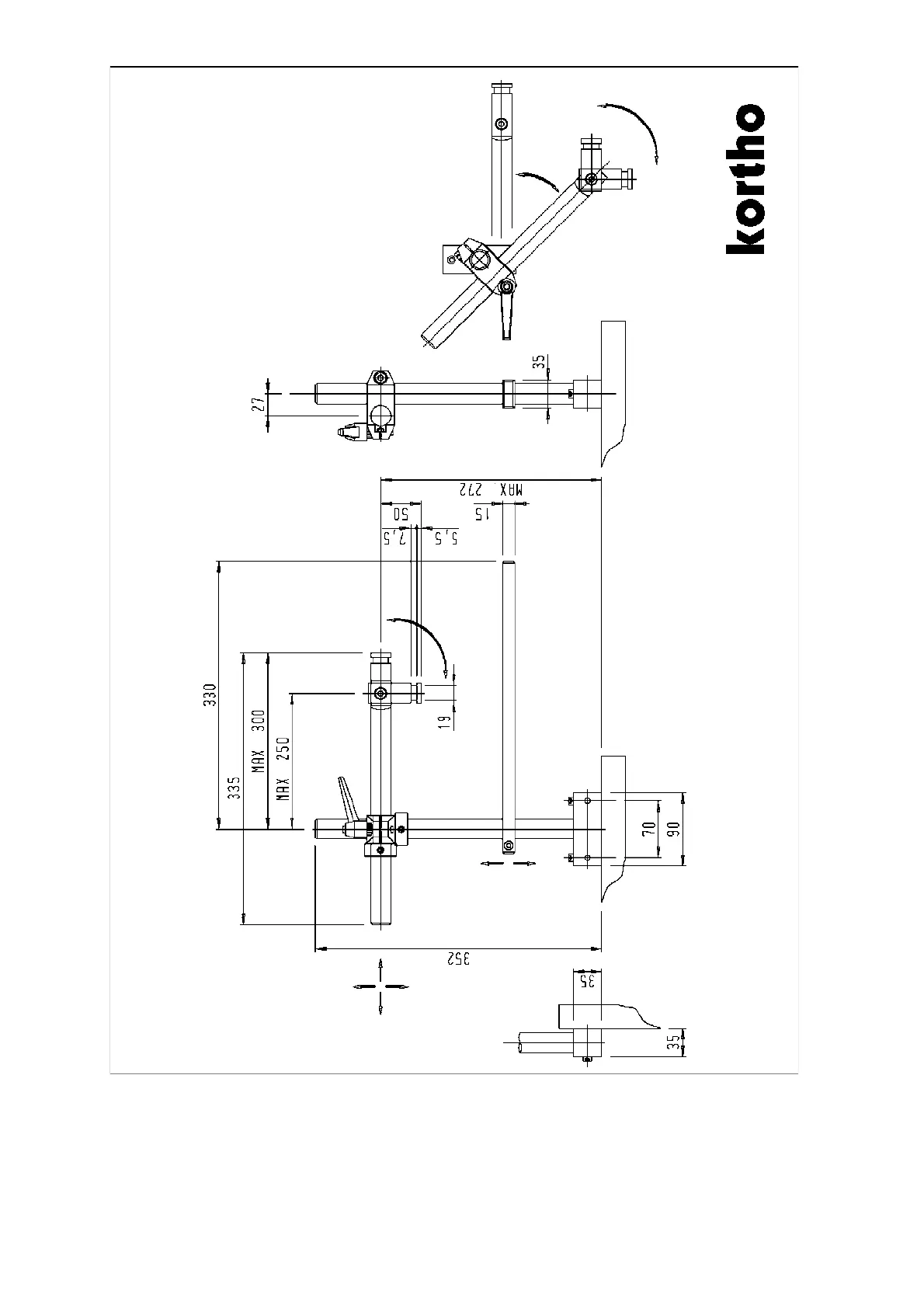
Artikelnummer / Item number: 809477 Standaard Steun / Standard support HQC

Table of Contents