EasyManua.ls Logo

Krone Comprima V 150 - Page 385

Krone Comprima V 150
430 pages
Print Icon
To Next Page IconTo Next Page
To Next Page IconTo Next Page
To Previous Page IconTo Previous Page
To Previous Page IconTo Previous Page
Loading...
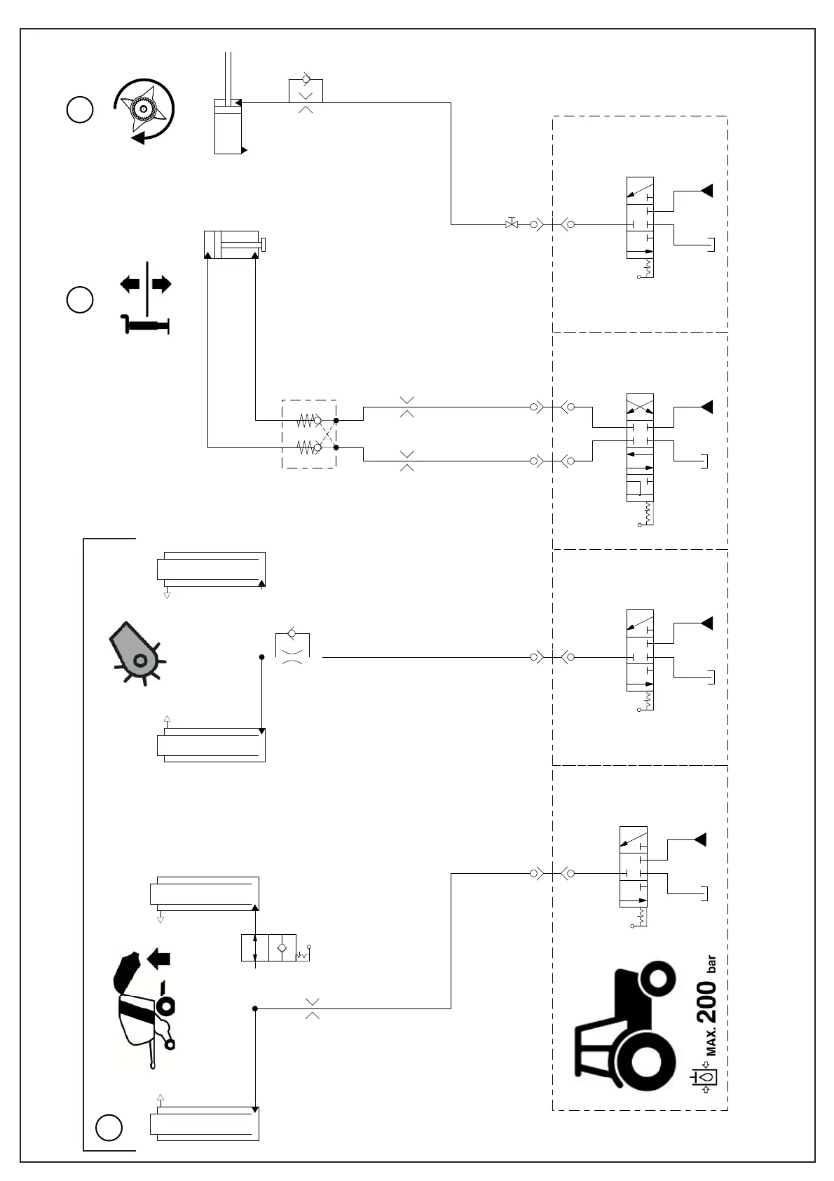
150 102 161 00
Comprima F 125, F 155
1+

3+

5+5-

6+
1
2
3

Table of Contents

Other manuals for Krone Comprima V 150

Related product manuals