EasyManua.ls Logo

KYE Systems Corp. Genius SP-E120 - Chapter 6. Schematic Diagram

KYE Systems Corp. Genius SP-E120
15 pages
Print Icon
To Next Page IconTo Next Page
To Next Page IconTo Next Page
To Previous Page IconTo Previous Page
To Previous Page IconTo Previous Page
Loading...
Service Guide SP-E120
Version : 1.0 Page 14 of 15
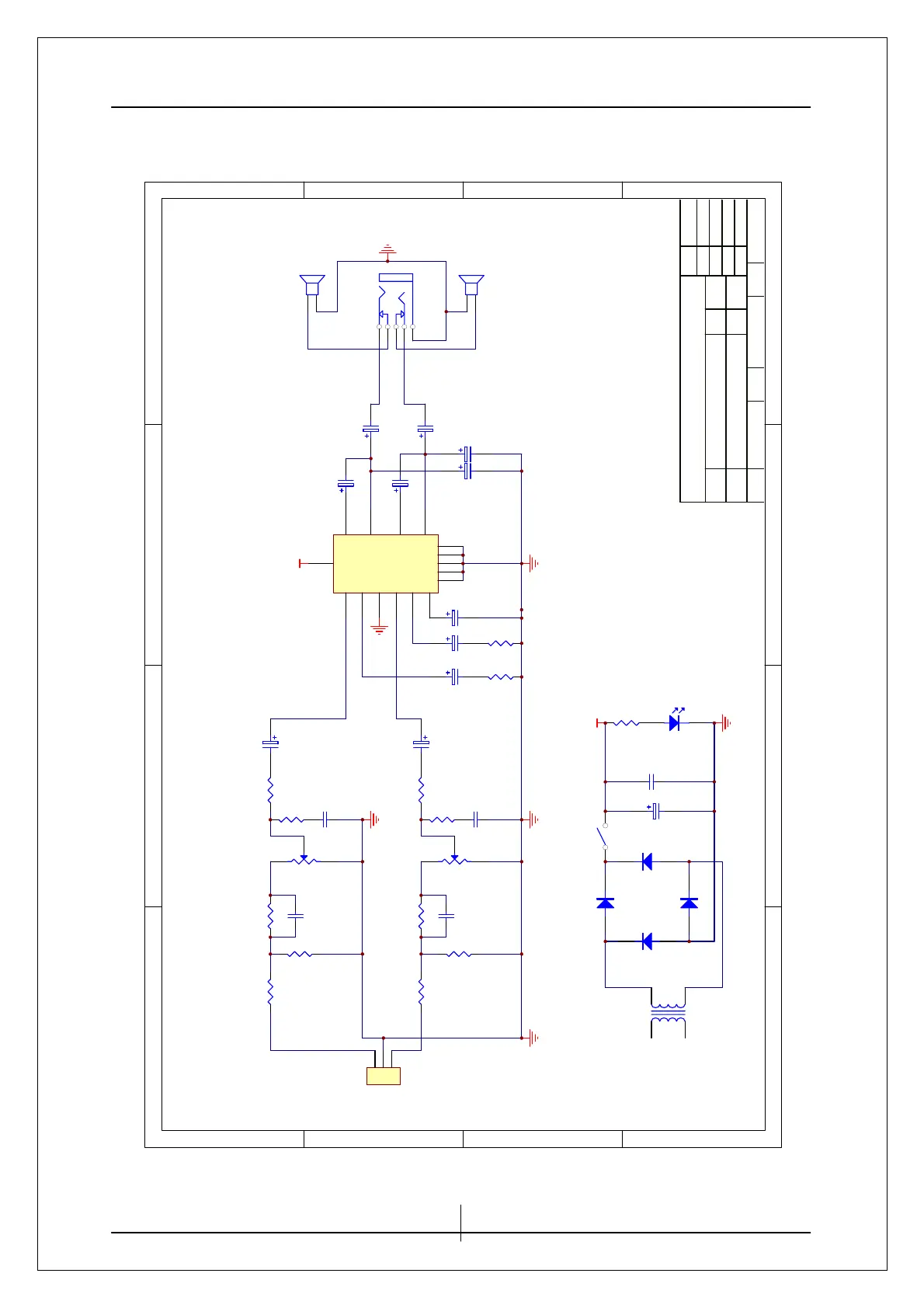
Chapter 6. Schematic Diagram
1
2 43
A
B
C
D
4
3
2
1
D
C
B
A
R3
10K
R7
15K
R12
150R
R5
4.7K
R10
4.7K
R8
10K
R2
15K
R9
12K
R13
150R
R4
12K
R6
8.2K
R1
8.2K
LED1
C1
2A102J
C3
2A102J
14
15
3
2
5
16
10
11
1
7
6
8
4
9
12
13
U1
(ST)TEA2025B
C13
100uF/16V
C5
0.22uF/50V
C2
0.22uF/50V
C12
100uF/16V
C11
100uF/16V
C7
100uF/16V
C6
100uF/16V
C9
1000uF/10V
C8
1000uF/10V
R11
1K
VCC
C16
1000uF/16V
C17
104P/100V
VCC
D1
IN4001
D3
IN4001
D2
IN4001
D4
IN4001
Checked Approved
DateRevision
Size
Page
Deviser
Title
NO.
SP-E120
R1.1 2008.02.02
1
2
3
INPUT1
VR1A
B50K
VR1B
B50K
L-OUT1
SPEAKER
R-OUT1
SPEAKER
PHONE1
C4
Short
C10
Short
AC-IN
9V/0.3A
SW1
POWER
C14
0.22uF/50V
C15
0.22uF/50V

Related product manuals