EasyManua.ls Logo

L3 Communications FA2100 - Page 63

L3 Communications FA2100
360 pages
Print Icon
To Next Page IconTo Next Page
To Next Page IconTo Next Page
To Previous Page IconTo Previous Page
To Previous Page IconTo Previous Page
Loading...
COMPONENT MAINTENANCE MANUAL
AVIATION RECORDERS
FA2100CVR
Page 7
Nov. 01/98
Description and Operation
23–70–04
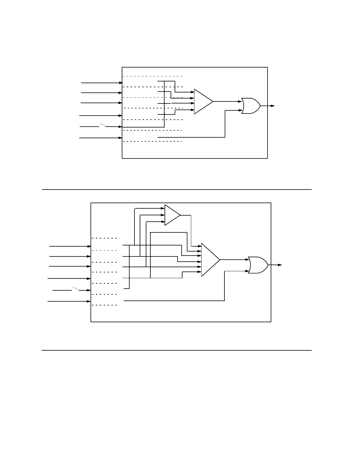
P/N 2100–1010–XX, 30‐Minute Audio Monitor Scheme
P/N 2100-1020-XX, 120‐Minute (pre MOD-DOT #7) Audio Monitor Scheme
Legend:
CAM – Cockpit Area Microphone
CH – Channel
HQ – High Quality
SQ – Standard Quality
Pilot Audio
Co‐Pilot Audio
CH 2
CH 1
CH 3
CH 1
(150‐3500 Hz)
FA2100 CVR
PUSH‐TO‐TEST
620 Hz - 660 Hz
TEST
SQV
SQC
HQ CH1 ,
HQ CH2,
HQ CH3 ,
HQ CAM
BULK ERASE
400 Hz
ERASE “A” + “C
3rd Crew Member/
Spare Audio
Cockpit Area Mic
(CAM) Audio CH 4
CH 2 (HQ)
(150‐3500 Hz)
CH 3 (HQ)
(150‐3500 Hz)
CH 4 (HQ)
(150‐6000 Hz)
ERASE
TO
CONTROL UNIT
HEADSET JACK
AUDIO OUT
CH 2
CH 1
CH 3
CH 1 (HQ)
(150‐3500 Hz)
FA2100 CVR
PUSH‐TO‐TEST
620 Hz - 660 Hz
HQ CH1 ,
HQ CH2,
HQ CH3 ,
HQ CAM
BULK ERASE
400 Hz
ERASE “A” + “C
CH 2 (HQ)
(150‐3500 Hz)
CH 3 (HQ)
(150‐3500 Hz)
CH 4 (HQ)
(150‐6000 Hz)
ERASE
TO
CONTROL UNIT
HEADSET JACK
AUDIO OUT
Pilot Audio
3rd Crew Member/
Spare Audio
Cockpit Area Mic
(CAM) Audio CH 4
Co‐Pilot Audio
CH1 (HQ)
CH1 (SQ)
CH 2 (HQ)
CH2 (SQ)
CH3 (SQ)
CH 3 (HQ)
CAM (HQ)
CAM (SQ)
SQV
Figure 5. (Sheet 1 of 2)
Model FA2100 CVR, 30‐Minute and 120‐Minute Audio Monitor Schemes
May 01/0
7
Rev. 06 Page
7

Table of Contents

Related product manuals