EasyManua.ls Logo

La Cornue 110 Induction - Oven Electrical Schematics; Oven Circuit Diagram

La Cornue 110 Induction
36 pages
Print Icon
To Next Page IconTo Next Page
To Next Page IconTo Next Page
To Previous Page IconTo Previous Page
To Previous Page IconTo Previous Page
Loading...
32
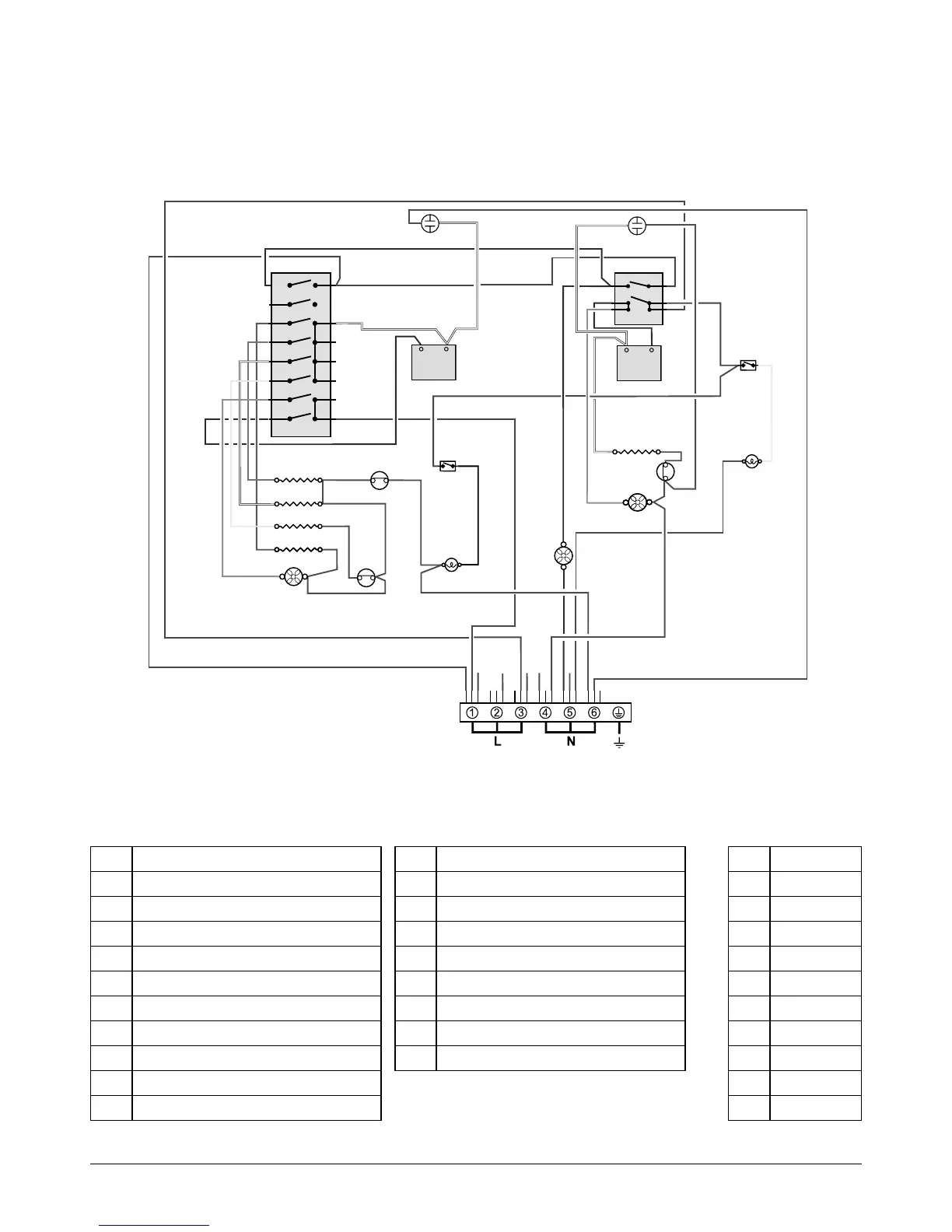
Oven Circuit Diagram
1 2
B2
1 2
D2
P095199
1
2
P2
P1
D1
B8
D3
D4
C
b
B7
B6
B5
B4
E
FF
v
w
b
b
b
b
gr
br
br br
br
br
or
or
r
v
v
w
br
w
y
w
E
E
b
b
b
y
bk
b
Hob 1
Hob 4
Hob 3
Hob 2
Hob 5
v
Oven Circuit Diagram
A1
A2
A4
A3
w
6
P6
5 P5
4
P4
7 P7
8 P8
2
P2
1 P1
3 P3
B3
E
Legend
The connections shown in the circuit diagram are for single-phase. The ratings are for 230 V 50 Hz.
Code Description
A1 Left-hand oven light switch
A2 Left-hand oven light
A3 Right-hand oven light switch
A4 Right-hand oven light
B2 Left-hand oven thermostat
B3 Left-hand multi-function oven switch
B4 Left-hand oven top element
B5 Left-hand oven browning element
B6 Left-hand fan element
B7 Left-hand oven base element
Code Description
B8 Left-hand oven fan
C Cooling fan
D1 Right-hand oven front switch
D2 Right-hand oven thermostat
D3 Right-hand oven fan element
D4 Right-hand oven fan
E Thermal cut-out
F Neons
Code Colour
b Blue
br Brown
bk Black
or Orange
r Red
v Violet
w White
y Yellow
g/y Green / Yellow
gr Grey

Related product manuals