EasyManua.ls Logo

LAFOMED LFSS23AA - Appendix 1: Structure Diagram

Default Icon
31 pages
Print Icon
To Next Page IconTo Next Page
To Next Page IconTo Next Page
To Previous Page IconTo Previous Page
To Previous Page IconTo Previous Page
Loading...
23
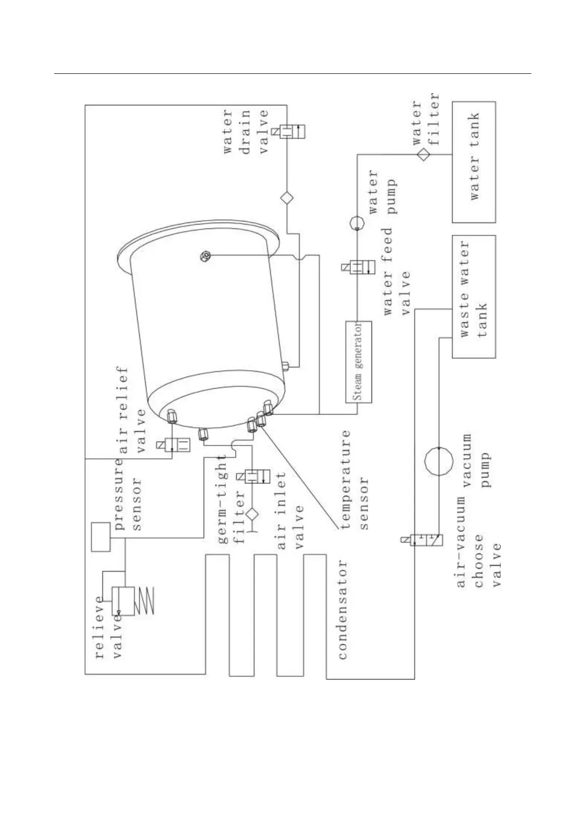
Appendix 1Structure diagram

Related product manuals