EasyManua.ls Logo

lancer LEV FILL STATION - Wiring Diagram

lancer LEV FILL STATION
16 pages
Print Icon
To Next Page IconTo Next Page
To Next Page IconTo Next Page
To Previous Page IconTo Previous Page
To Previous Page IconTo Previous Page
Loading...
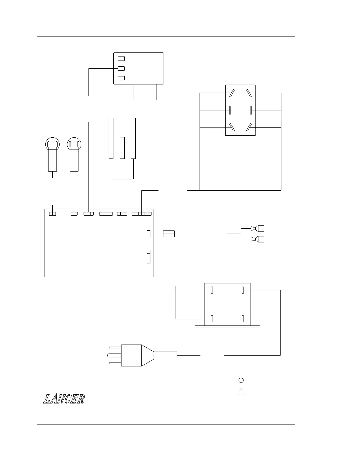
7.5 WIRING DIAGRAM
11
GRY
PUR
BLU
WHT
BLK
RED
SWITCH
ON
TO VALVE
BLK
52-2511
BLK
WHT
GRN/YEL
WHT
SEC
52-2509
TRANSFORMER
PRI
PRESSURE SWITCH
NO
COM
LO
WHT
PROBES
BLK
RED
LO
52-2497
BLK
WHT
LED
GRN
+
RED
BLK
HI
NC
LED
RED
+
BLK
RED
11-0180
J7
52-2510
J4
J5
P1
52-2498
J3 J6
PC BOARD
52-2500
J1
52-2498
J2
06-2486/01
52-2496
WIRING DIAGRAM, FILL STATION
®
LED AWAY
FLAT DOWN
CONNECT RED
TO RIGHT TAB