EasyManua.ls Logo

Land UNO - Location of Controls

Default Icon
40 pages
Print Icon
To Next Page IconTo Next Page
To Next Page IconTo Next Page
To Previous Page IconTo Previous Page
To Previous Page IconTo Previous Page
Loading...
User Guide User Guide
Page 12 Page 12
Fibroptic Thermometer
Fibroptic Thermometer
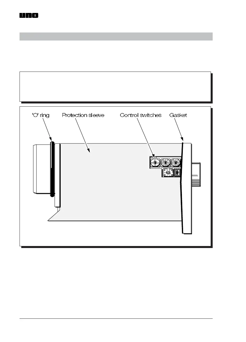
3.2 Location of controls
The Emissivity/Non greyness and Peak Picker/Averager control switches are
located on the left hand circuit board (When viewing the thermometer from the
rear). See Fig. 6.
NOTE
The 4-way switch, SW1, is fitted in V series (i.e. ratio)
thermometers only.
Fig. 6 Location of internal control switches UN970315
3.2 Location of controls
The Emissivity/Non greyness and Peak Picker/Averager control switches are
located on the left hand circuit board (When viewing the thermometer from the
rear). See Fig. 6.
NOTE
The 4-way switch, SW1, is fitted in V series (i.e. ratio)
thermometers only.
Fig. 6 Location of internal control switches UN970315
StockCheck.com

Related product manuals