EasyManua.ls Logo

Lang GCCO-T - Page 59

Default Icon
73 pages
Print Icon
To Next Page IconTo Next Page
To Next Page IconTo Next Page
To Previous Page IconTo Previous Page
To Previous Page IconTo Previous Page
Loading...
59
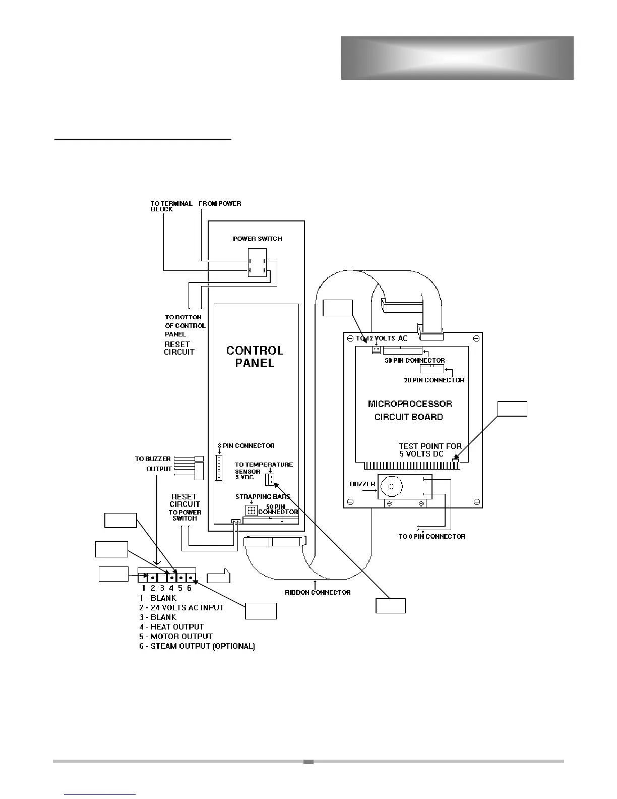
TECHNICAL DATA CONT’D
GCCO-C TEST POINT LAYOUT
TP 2
TP 1
TP 3
TP 4
TP5
TP6
TP7

Related product manuals