EasyManua.ls Logo

LaserLine 211B - Page 6

LaserLine 211B
Print Icon
To Next Page IconTo Next Page
To Next Page IconTo Next Page
To Previous Page IconTo Previous Page
To Previous Page IconTo Previous Page
Loading...
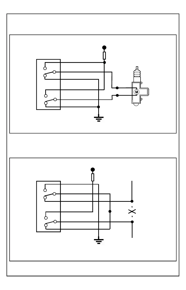
CENTRALE
D’ALLARME
VERDE NERO-
MARRONE NERO-
GIALLO NERO-
ROSSO NERO-
BLU NERO-
GRIGIO NERO-
FUSIBILE 10A
+ 12V / +24V
COMPRESSORE
TAGLIARE
PORTA
CENTRALE
D’ALLARME
VERDE NERO-
MARRONE NERO-
GIALLO NERO-
ROSSO NERO-
BLU NERO-
GRIGIO NERO-
FUSIBILE 10A
+ 12Vdc
BLU
ROSSO
AZIONATORE
SERRATURA
AZIONATORE SERRATURA schema «C»
AZIONATORE ELETTROPNEUMATICO schema «D»
Schemi di collegamento chiusure centralizzate
Pag.6

Related product manuals