EasyManua.ls Logo

Lauda RP 1845 - External Control and Calibration; External Control Parameter Settings

Default Icon
127 pages
Print Icon
To Next Page IconTo Next Page
To Next Page IconTo Next Page
To Previous Page IconTo Previous Page
To Previous Page IconTo Previous Page
Loading...
Proline Low-temperature Thermostats
YACE0072 / 21.08.07 Starting up 41
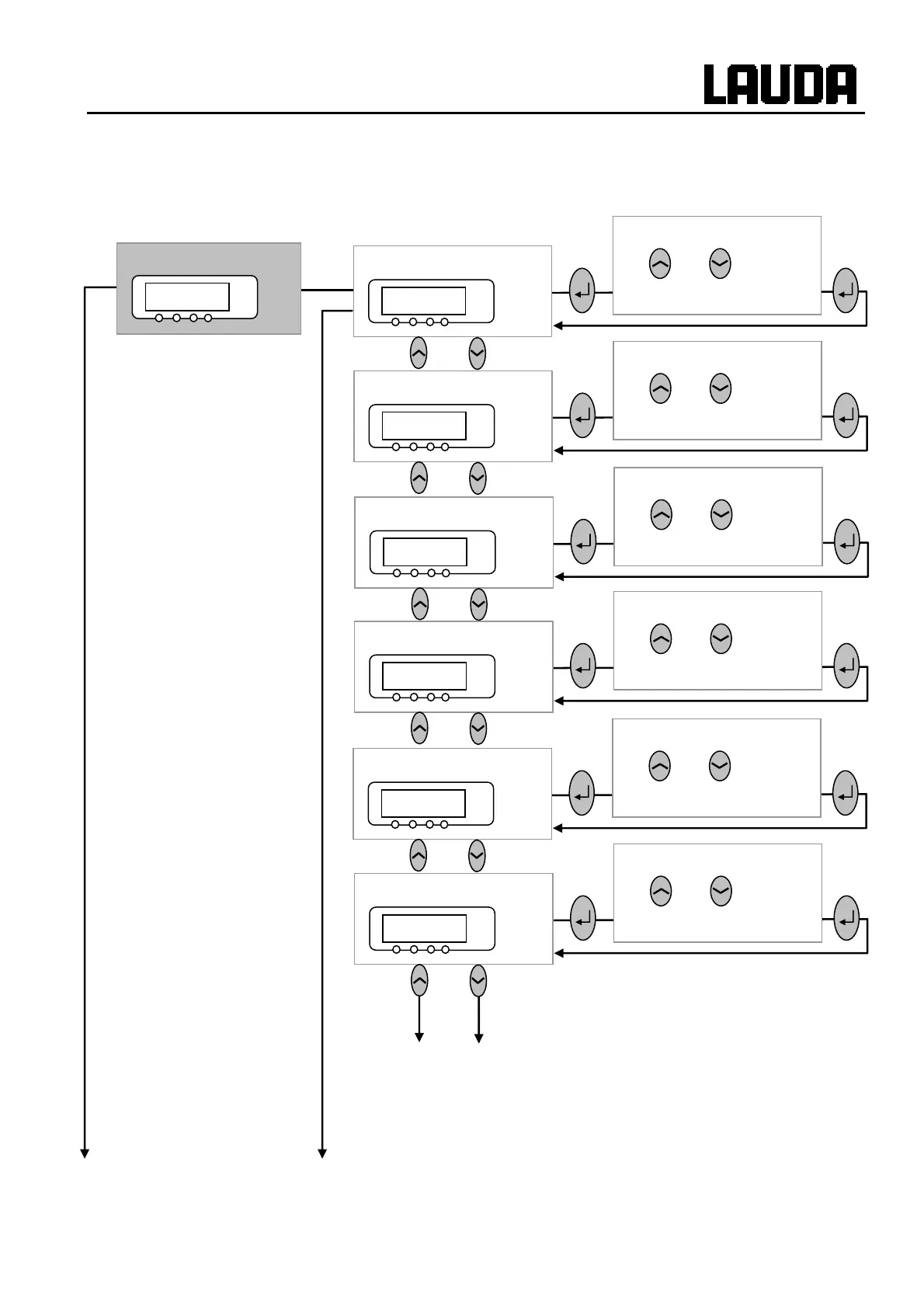
7.6.6 Submenu LMDkt Æ O0c-- (Master): Setting external control parameters
You only obtain the following possible settings when the control variable is set to "External" ( Section
7.7.4). See also 7.6.5.
*Display flashes. Set
with or .
P-contr. range: 3K … 250K.
P-controller [K]
Da 2/
°C
*Display flashes. Set
with or .
Tve range: Off, 1s … 800s.
Deriv time master cntr [s]
Ds013
°C
Display flashes. Set
with or .
Tne range: 5s … 979s, Off.
Res time master cntr [s]
Dl04/
°C
Set control parameters
O0c--
°C
Display flashes. Set
with or .
Kpe range: 0,10 … 9.80.
Prop.rng.master contr.[ ]
DO<4/
°C
* Important:
The windows for setting the
additional parameters for the
external control for the Master
Controller:
Ds (=tve) and Dc (=tde),
and for the Slave Controller:
Da (=P-controlller),
are only displayed when
D has
been changed from the works
setting of "Automatic" to
"Manual".
Changeover should only be
carried out by experienced
control technicians.
*Display flashes. Set
with or .
Tde range: 0.0s … 50.0s.
Damping master cntr [s]
Dc0!3
°C
Display flashes. Set
with or .
Xpf range: 0.3K … 25K.
Prop. range slave contr[K]
hO $/
°C
Continued on the
following page

Table of Contents

Related product manuals