EasyManua.ls Logo

Lauda RP 3530 - Menu Structure: Master

Default Icon
127 pages
Print Icon
To Next Page IconTo Next Page
To Next Page IconTo Next Page
To Previous Page IconTo Previous Page
To Previous Page IconTo Previous Page
Loading...
Proline Low-temperature Thermostats
10 Brief operating instructions YACE0072 / 21.08.07
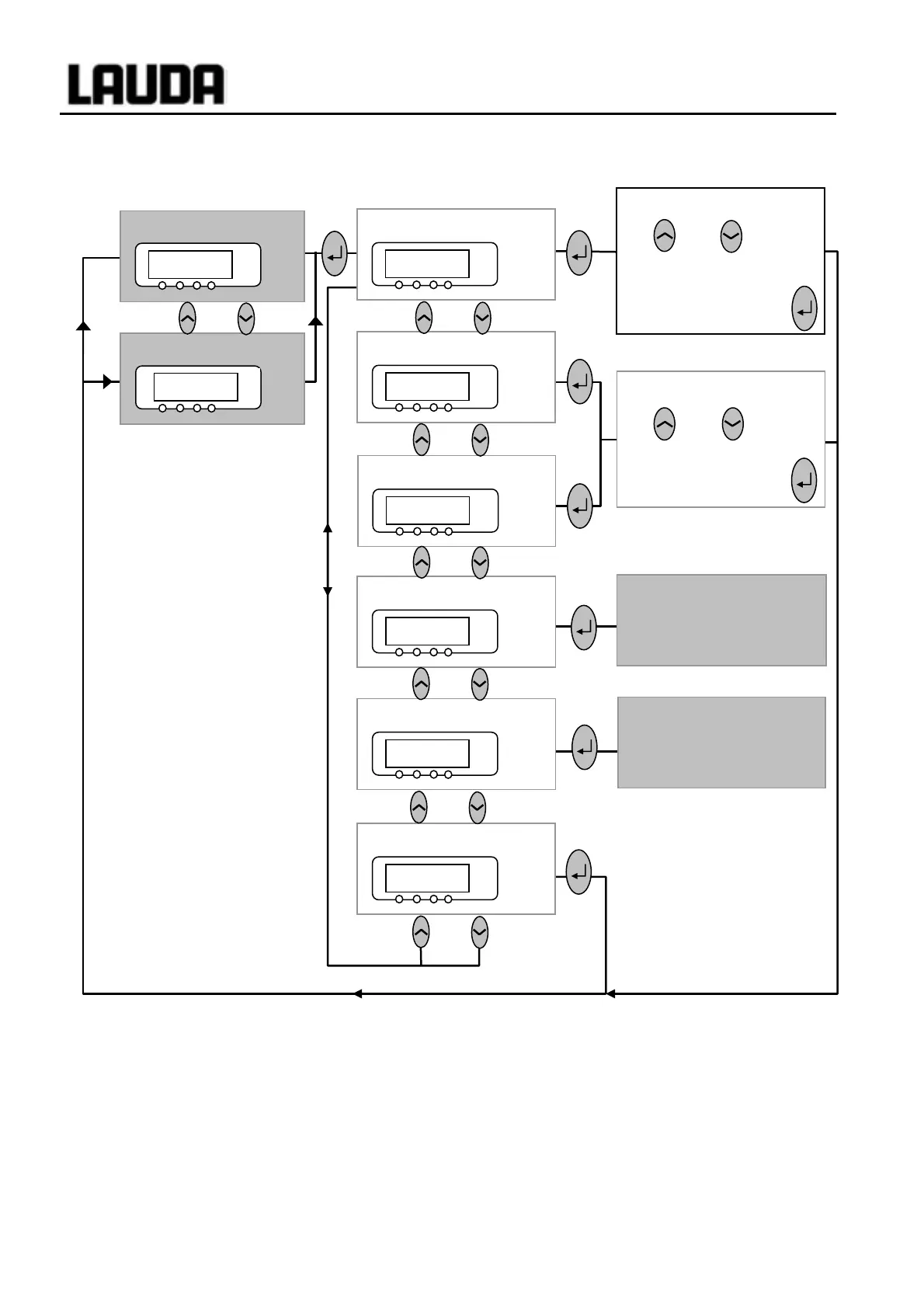
2.1 Menu structure: Master
To reset the unit to the factory default state which enables basic operation with internal control, there is
the default function in the menu
LMDls Æ O@p@ Æ cDE Ì 7.6.4.
Bath temperature
1%21
°C
Pump power.1-8/Standby.0
Os 7
°C
Setpoint
RDr
°C
Control Intern / Extern
Bml 0
°C
Further settings
LMDkt
°C
Configure modules
LMnet
°C
End
Dlc
°C
Section 7.6.2
Section 7.6.3
Display flashes. Set setpoint
with or . Display
is accepted afer 4 sec. or
proceed immediately
with the key:
Control parameters,
setpoint resolution,
setpoint-source input,
calibration, etc.
Protection system,
Command, cooling system,
analog and RS232 digital
module, etc.
External temperature
1%/1
°C
EXT
Display flashes. Set value
with or . Display
is accepted afer 4 sec. or
proceed immediately
with the ke
y
:
Section 7.7.3
Section 7.7.4
Section 7.7.1

Table of Contents

Related product manuals