EasyManua.ls Logo

Lauda RP 3530 - Page 42

Default Icon
127 pages
Print Icon
To Next Page IconTo Next Page
To Next Page IconTo Next Page
To Previous Page IconTo Previous Page
To Previous Page IconTo Previous Page
Loading...
Proline Low-temperature Thermostats
42 Starting up YACE0072 / 21.08.07
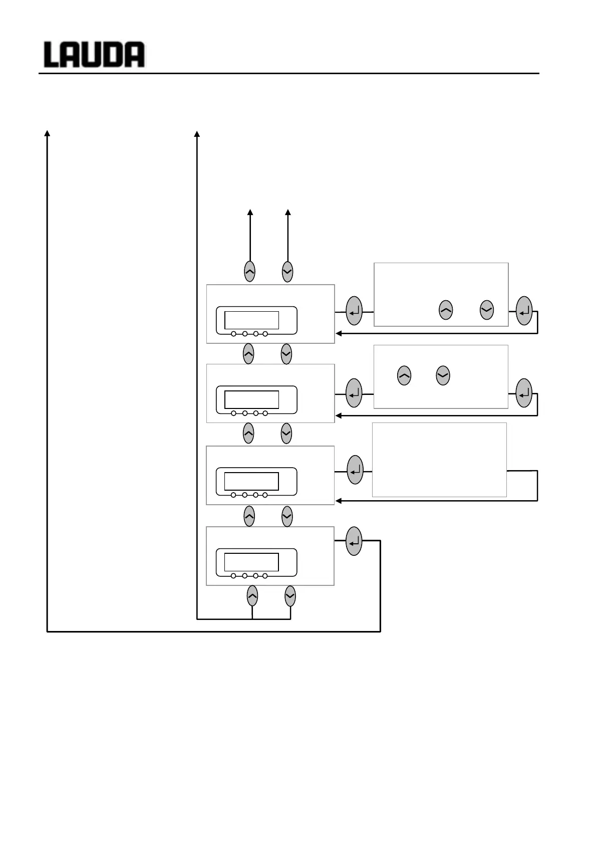
Continuation of submenu LMDkt Æ O0c-- (Master): Setting external control
parameters
* Important:
The windows for setting the
additional parameters for the
external control for the Master
Controller:
Ds (=tve) and Dc (=tde),
and for the Slave Controller:
Da (=P-controlller),
are only displayed when
D has
been changed from the works
setting of "Automatic" to
"Manual".
Changeover should only be
carried out by experienced
control technicians.
End
Dlc
°C
The works setting (default)
of the external control
parameters has been
restored and
cmlD is
displayed.
longer
than
3sec.
Control works settings
cDE
°C
Display flashes. Set
with or .
Range: 0.0K … 5.0K.
Corr.variable limits [K]
Dr/K
°C
longer
than
3sec.
Display flashes. Changeover
tne, tve and tde from
@=Automatic to LM=Manual
with or .
Auto/man. for tne, tve, tde
D @
°C
Return to the
previous page

Table of Contents

Related product manuals