EasyManua.ls Logo

Launch TLT235 - Page 35

Launch TLT235
50 pages
Print Icon
To Next Page IconTo Next Page
To Next Page IconTo Next Page
To Previous Page IconTo Previous Page
To Previous Page IconTo Previous Page
Loading...
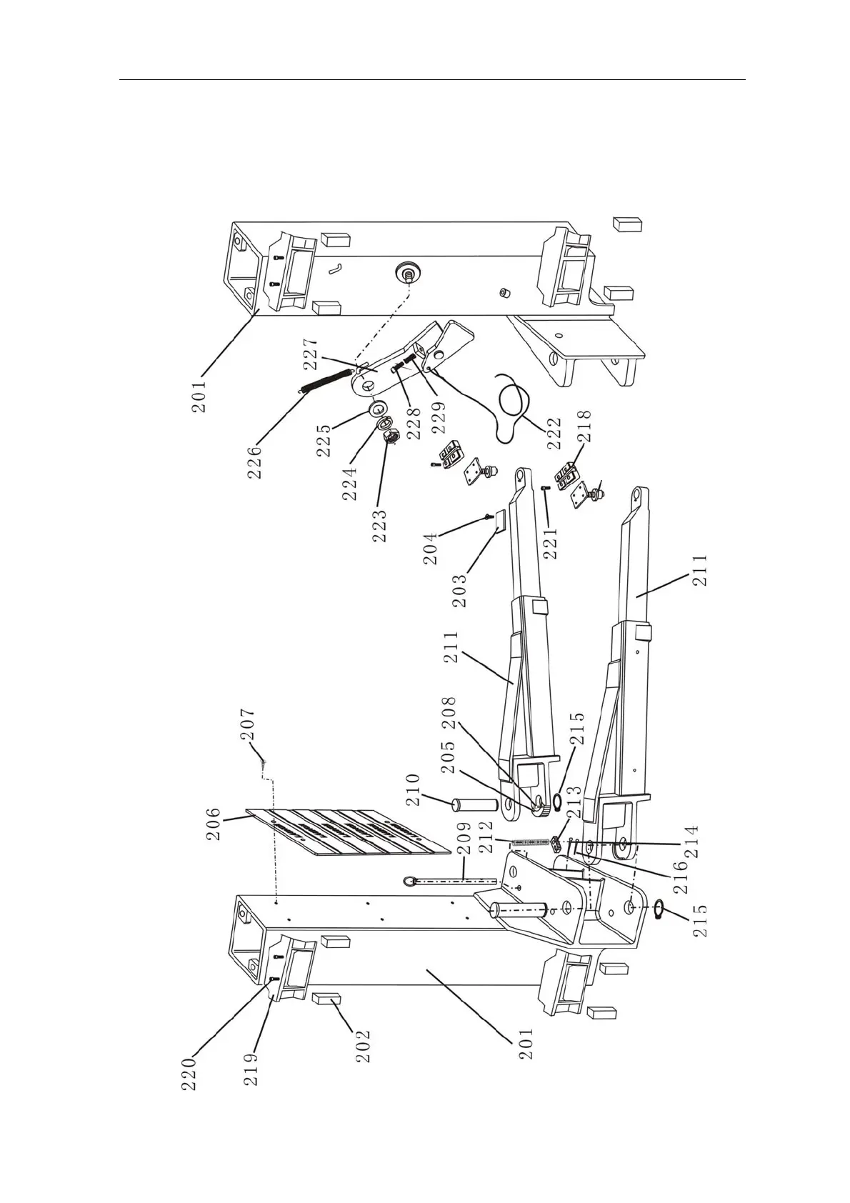
Launch TLT235TLT240 Economical Two-post User’s Manual
28
Applicable to TLT235SCU/TLT235SC/ TLT240SC /TLT235SB/ TLT240SB

Related product manuals