EasyManua.ls Logo

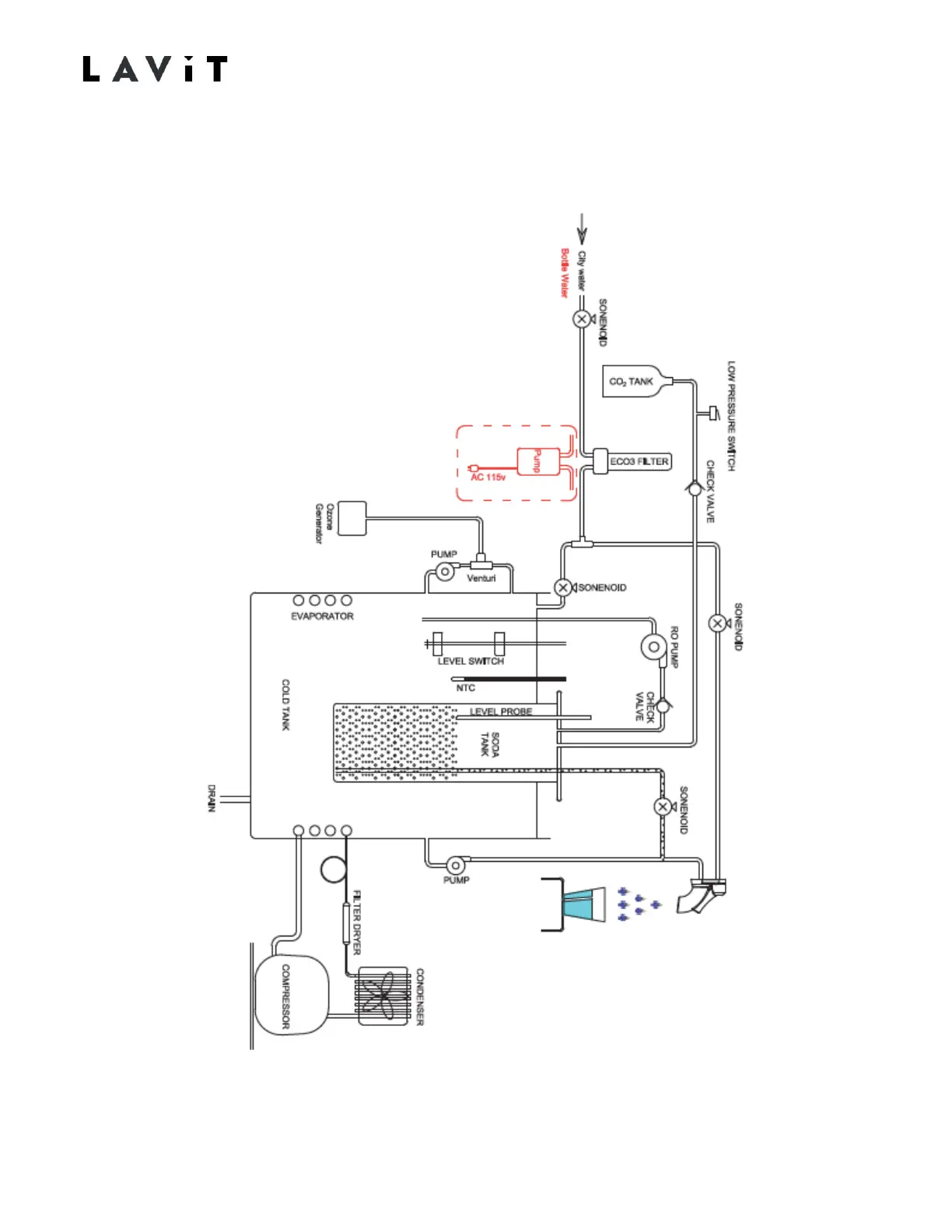
Lavit LB115 - Appendix A: Flow Diagram

Lavit LB115
59 pages
Print Icon
To Next Page IconTo Next Page
To Next Page IconTo Next Page
To Previous Page IconTo Previous Page
To Previous Page IconTo Previous Page
Loading...
52
TM170915-B
Appendix A Flow Diagram

Table of Contents