EasyManua.ls Logo

LAWNFLITE LS83000EV - Pre-operation Checks and Setup

LAWNFLITE LS83000EV
24 pages
Print Icon
To Next Page IconTo Next Page
To Next Page IconTo Next Page
To Previous Page IconTo Previous Page
To Previous Page IconTo Previous Page
Loading...
13
4. Route the power cord. Route the
cord from the power source to the
splitter in a way that safeguards
against tripping on the cord, or the
cord becoming damaged during the
work session. Protect the power cord
from impacts, pulling or corrosive
materials.
5. Open the Air Bleed. Loosen the oil
tank cover a few turns whenever the
splitter is being used. Retighten this
cover when you have finished.
3. Applying a thin coat of grease to the
surfaces of the ram before operation
will lengthen the durability of the
ram.
Grease
6. While operating under extremely low
temperature, keep the log splitter
running under no load for 15 minutes
to preheat the hydraulic oil.
7. Before initial operation, check to be
sure the two-handed operation is
properly functioning by following
steps:
(1) Lower both control levers, the
splitting wedge will lower to 5cm
above the highest table position.
(2) Release either of the levers,
splitting wedge should remain in the
original position.
(3) Release both levers, the ram
should rise to the highest position
automatically.
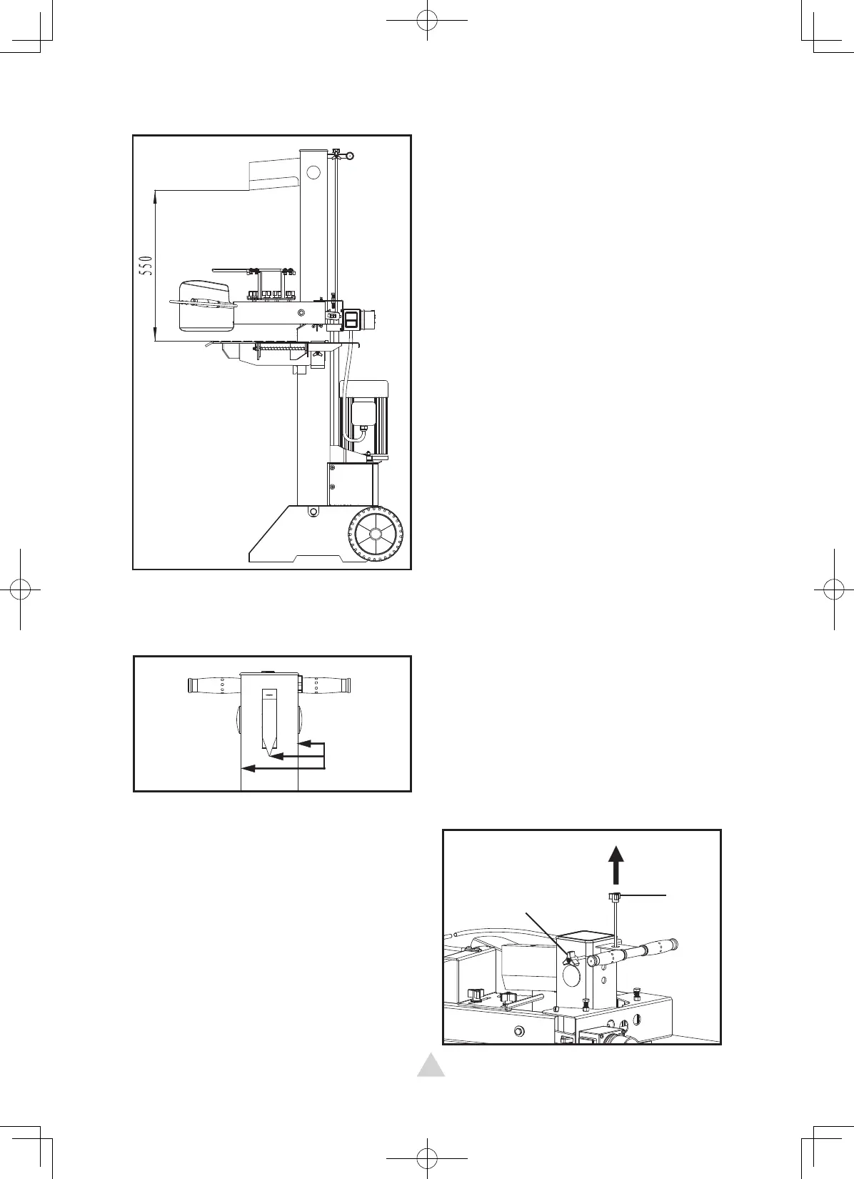
8. To set wedge ram stroke, take the
following steps:
(1) Move splitting wedge to desired
position. The upper position of the
ram wedge travel should be about
3~5cm over the logs to be split.
(2) Release a control lever or switch
off motor.
(3) Release the Setscrew (A) with
L key. Raise Adjusting Rod (B) until
Adjusting Rod (B) begins to be
stopped by the spring inside. Tighten
the Setscrew (A).
(4) Release both control levers or
switch on motor.
(5) Check upper position of splitting
wedge.
B
A