EasyManua.ls Logo

Leadshine CS-D808 - 8 Sequence Chart of Control Signals

Leadshine CS-D808
16 pages
Print Icon
To Next Page IconTo Next Page
To Next Page IconTo Next Page
To Previous Page IconTo Previous Page
To Previous Page IconTo Previous Page
Loading...
CS-D808 Closed Loop Stepper Drive User Manual
Page | 8
GND
A+
A-
+Vdc
Encoder Signal
Connector
1
5
6
Power &
Motor Connector
Controller
Black
Red
Control Signal
Connector
4
PUL+
1
DIR+ 3
PUL-
DIR-
2
4
ENA+ 5
ENA-
6
5V
Step
Direction
Enable
EA+: BLK EA-: BLU
EB+: YEL EB-: GRN
+5V: RED GND: WHT
Status Signal
Connector
30-72VDC recommended,
leaving rooms for voltage fluctuation
and back EMF of the motor
2
Encoder
Extension Cable*
Encoder
Cable
*must be used
Power
Extension Cable
Power
Cable
3
B+
B-
Yellow/Green
Blue
CS-D808
Fault
5V
ALM+ 1
2
ALM-
In-Positiion
Pend+ 1
2
Pend-
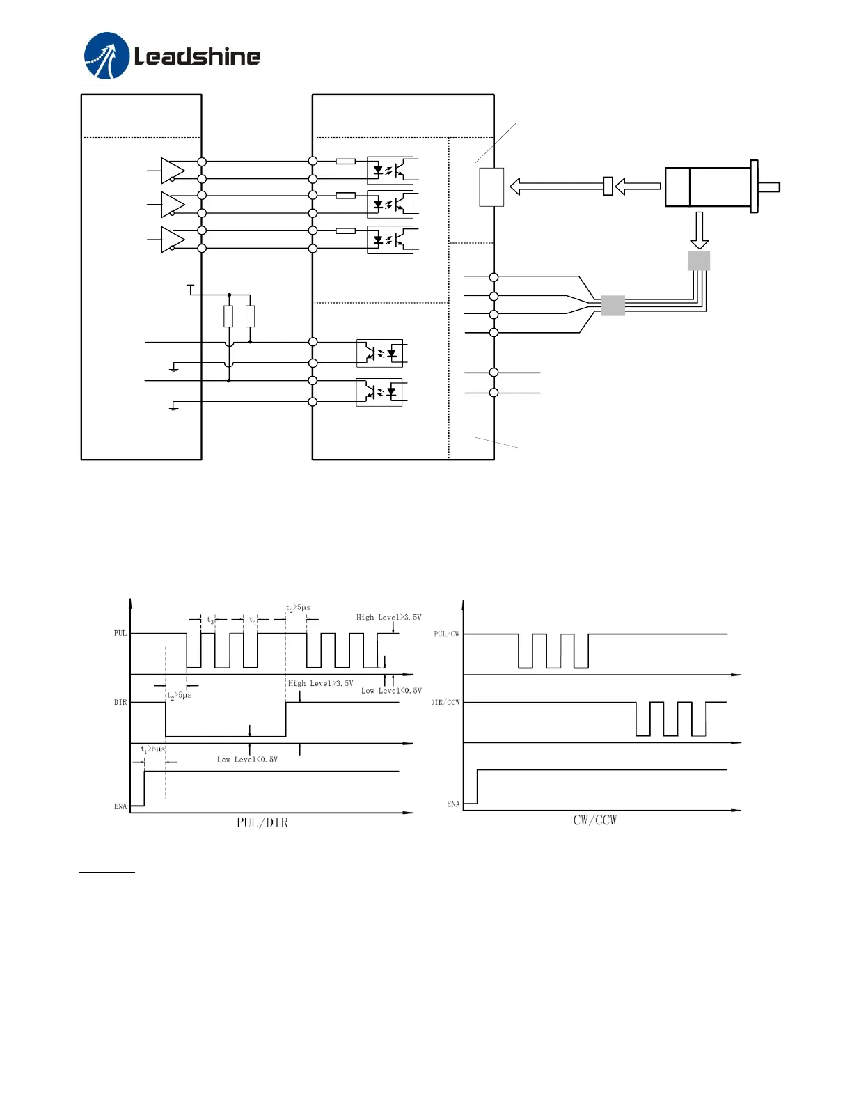
Figure 6: Typical connection
8. Sequence Chart of Control Signals
In order to avoid some fault operations and deviations, PUL, DIR and ENA should abide by some rules, shown as
following diagram:
Figure 7: Sequence chart of control signals
Remark:
a) t1: ENA must be ahead of DIR by at least 5s. Usually, ENA+ and ENA- are NC (not connected). See
“Connector P1 Configurations” for more information.
b) t2: DIR must be ahead of PUL effective edge by 5s to ensure correct direction;
c) t3: Pulse width not less than 2.5s;
d) t4: Low level width not less than 2.5s.

Related product manuals