EasyManua.ls Logo

Learjet 24 - Page 64

Default Icon
373 pages
Print Icon
To Next Page IconTo Next Page
To Next Page IconTo Next Page
To Previous Page IconTo Previous Page
To Previous Page IconTo Previous Page
Loading...
SNs 24-130 through 24-229, and
25-003 through 25-064
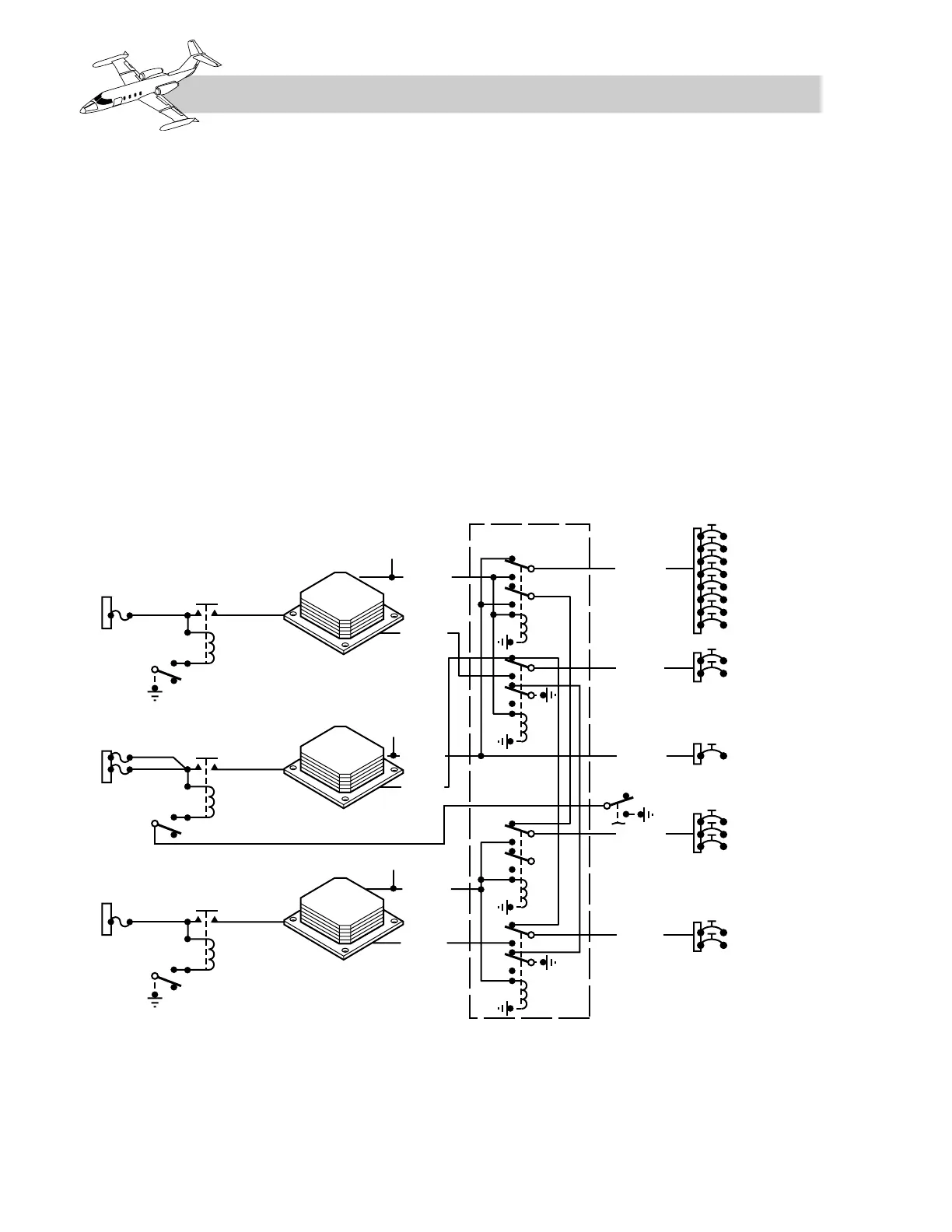
Three JET solid-state static inverters located
in the tail compartment provide 115-VAC and
26-VAC, 400-Hz, single-phase power (Figures
2A-18 and 2A-19). PRI and SEC inverters are
rated at 400 VA, and the standby inverter is
rated at 750 VA. During normal operation, the
PRI inverter supplies the left AC equipment,
the secondary inverter supplies the right AC
equipment, and the standby inverter supplies
the radar. The standby inverter automatically
picks up the load in case of a primary or sec-
ondary inverter failure.
CONTROLS
SNs 23-003 through 24-129
One three-position MAIN–OFF–STANDBY
inverter switch is located on the switch panel.
SNs 24-130 through 24B-229,
and 25-003 through 25-064
Three ON–OFF inverter switches for the pri-
mary, secondary, and standby inverters are lo-
cated on the switch panel.
2A-18
FOR TRAINING PURPOSES ONLY
LEARJET 20 SERIES PILOT TRAINING MANUAL
FlightSafety
international
Figure 2A-18. AC Power Distribution—SNs 24-130 through 24-180,
and 25-003 through 25-024
PRI
INVERTER
STDBY
INVERTER
SEC
INVERTER
DC PWR
L GEN BUS
DC PWR
R GEN BUS
BAT
CHG BUS
PRI
INVERTER
SWITCH
STDBY
INVERTER
SWITCH
SEC
INVERTER
SWITCH
PRI
INVERTER
POWER
RELAY
SEC
INVERTER
POWER
RELAY
STDBY
INVERTER
POWER
RELAY
400VA
400VA
750VA
TO INDICATOR
LIGHT
TO INDICATOR
LIGHT
TO INDICATOR
LIGHT
115 VAC
115 VAC
115 VAC
RADAR RELAY
115 VAC
26 VAC
26 VAC
AC SWITCHING
115 VAC
115 VAC
26 VAC
26 VAC
26 VAC
PRI VOLTMETER
PILOT VERT
PILOT DIRECT
RADAR GYRO
AFCS
NOSE STEER
CABIN PRESS
RMI
L EPR
L OIL PRESS
RADAR
SEC VOLTMETER
COPILOT VERT
COPILOT DIRECT
R EPR
R OIL PRESS

Table of Contents

Related product manuals