EasyManua.ls Logo

Learjet 24 - AC Power Distribution-Sns 24-130 through

Default Icon
373 pages
Print Icon
To Next Page IconTo Next Page
To Next Page IconTo Next Page
To Previous Page IconTo Previous Page
To Previous Page IconTo Previous Page
Loading...
2A-19
FOR TRAINING PURPOSES ONLY
LEARJET 20 SERIES PILOT TRAINING MANUAL
FlightSafety
international
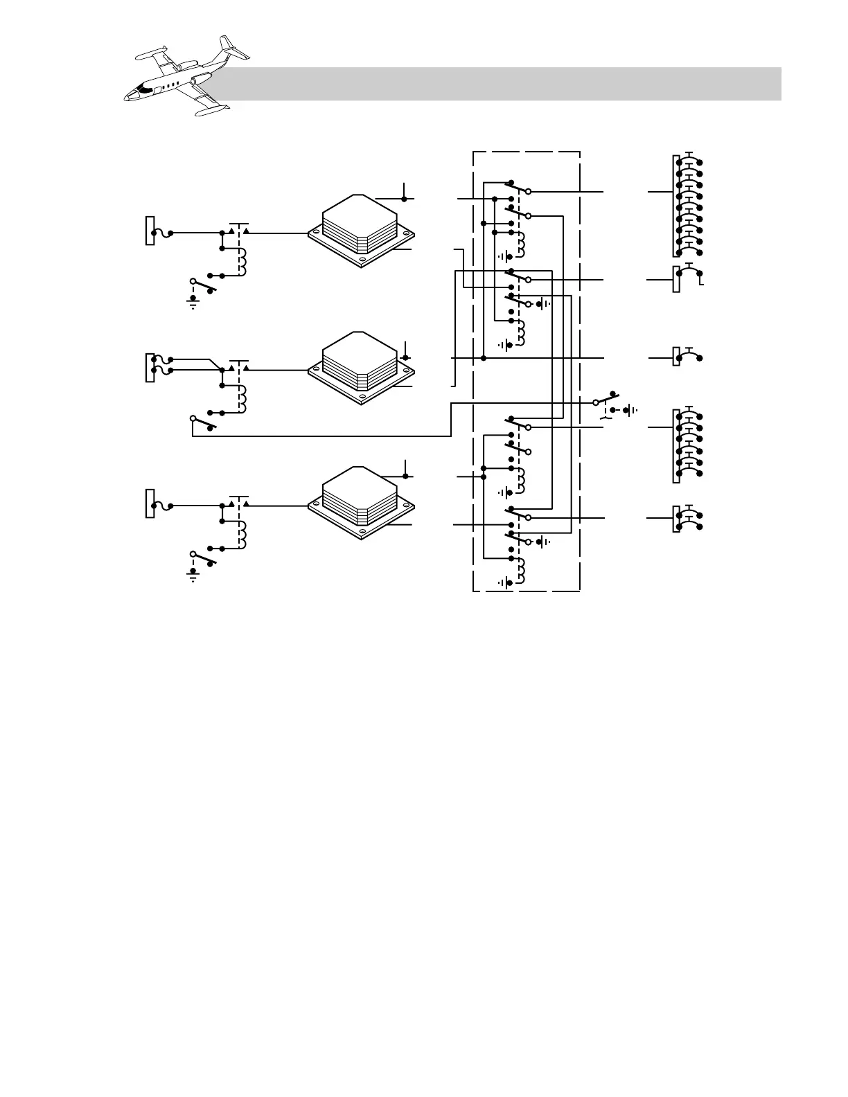
Figure 2A-19. AC Power Distribution—SNs 24-181 through 24-229,
and 25-025 through 25-063, except 25-061
PRI
INVERTER
STDBY
INVERTER
SEC
INVERTER
DC PWR
L GEN BUS
DC PWR
R GEN BUS
BAT
CHG BUS
PRI
INVERTER
SWITCH
STDBY
INVERTER
SWITCH
SEC
INVERTER
SWITCH
PRI
INVERTER
POWER
RELAY
SEC
INVERTER
POWER
RELAY
STDBY
INVERTER
POWER
RELAY
400VA
400VA
750VA
TO INDICATOR
LIGHT
TO INDICATOR
LIGHT
TO INDICATOR
LIGHT
115 VAC
115 VAC
115 VAC
RADAR RELAY
115 VAC
26 VAC
26 VAC
AC SWITCHING
115 VAC
115 VAC
26 VAC
26 VAC
26 VAC
PRI VOLTMETER
PILOT VERT
PILOT DIRECT
RADAR GYRO
AFCS
NOSE STEER
CABIN PRESS
RMI
EPR
L OIL PRESS
ANTI-SKID TEST
RADAR
SEC VOLTMETER
COPILOT VERT
COPILOT DIRECT
AFCS
EPR
NOSE STEERING*
TONE GEN
R OIL PRESS
*NOSE STEERING EFFECTIVE
SNs 24-209 AND 25-041 AND SUBSEQUENT
IS NOW ON THE COPILOT’S 115-VAC BUS.

Table of Contents

Related product manuals