EasyManua.ls Logo

Lectrosonics UCR100 - General Technical Description

Lectrosonics UCR100
28 pages
Print Icon
To Next Page IconTo Next Page
To Next Page IconTo Next Page
To Previous Page IconTo Previous Page
To Previous Page IconTo Previous Page
Loading...
4
GENERAL TECHNICAL DESCRIPTION
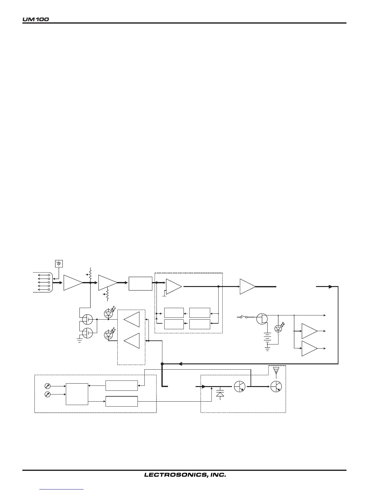
The UM100 transmitters are comprised of a number of functional sub-systems as shown in the block diagram below.
GENERAL
The 100 system uses 20 kHz wide deviation for a high signal to noise ratio. The transmitter circuits are all regulated to
allow full output power from the beginning (9 Volts) to the end (6.5 Volts) of battery life. The input amplifier uses a
Motorola 33078 op amp for ultra low noise operation. It is gain controlled with a wide range input compressor which
cleanly limits input signal peaks over 30dB above full modulation.
DUAL BAND COMPANDOR
Traditionally, compandors have been a source of distortion in wireless microphone systems. The basic problem with
conventional systems is that the attack and decay times are always a compromise. If the time constants are fast, high
frequency transients will not be distorted, but this will cause low frequency distortion. If the time constants are slower,
low frequency audio distortion will be low, but high frequency transients will then be distorted. The 100 system
introduces an entirely new approach to solving this basic problem, called “dual-band companding.”
There are actually two separate compandors in the 100 system, one for high frequencies and one for low frequencies.
A crossover network separates the frequency bands at 1 kHz with a 6 dB per octave slope, followed by separate high
and low frequency compandors. The attack and release times in the high frequency compandor are fast enough to
keep high frequency transient distortion at a low level, and the low frequency compandor uses slower time constants,
reducing low frequency distortion to well below that of a conventional compandor.
UM100 Block Diagram
TRANSMITTER
Vref
BASS
TREBLE
LP FILTER
HP FILTER
SET
LED
LIMIT
LED
COMPANDOR
Vreg
Vreg
+5VDC
+3.6VDC
SHUNT
LIMITER
INPUT
AMP
AUDIO
LEVEL
LP
FILTER
PEAK AUDIO
INDICATOR &
LIMITER
DRIVER
5
4
3
2
1
MIC
JACK
+5V BIAS
SUPPLY
LF
ROLL-OFF
COMPANDED AUDIO
TO XMTR
COMPANDED
AUDIO
PHASE LOCKED LOOP
VOLTAGE
CONTROLLED
OSCILLATOR
FREQ
SWITCHES
DIVIDER
LOW PASS
FILTER
PRESCALER
BUFFER
PWR
+9VDC
PWR
LED

Other manuals for Lectrosonics UCR100

Related product manuals