EasyManua.ls Logo

Lenel OnGuard - 77 Mounting

Lenel OnGuard
698 pages
Print Icon
To Next Page IconTo Next Page
To Next Page IconTo Next Page
To Previous Page IconTo Previous Page
To Previous Page IconTo Previous Page
Loading...
Hardware Installation Guide
revision 7 — 391
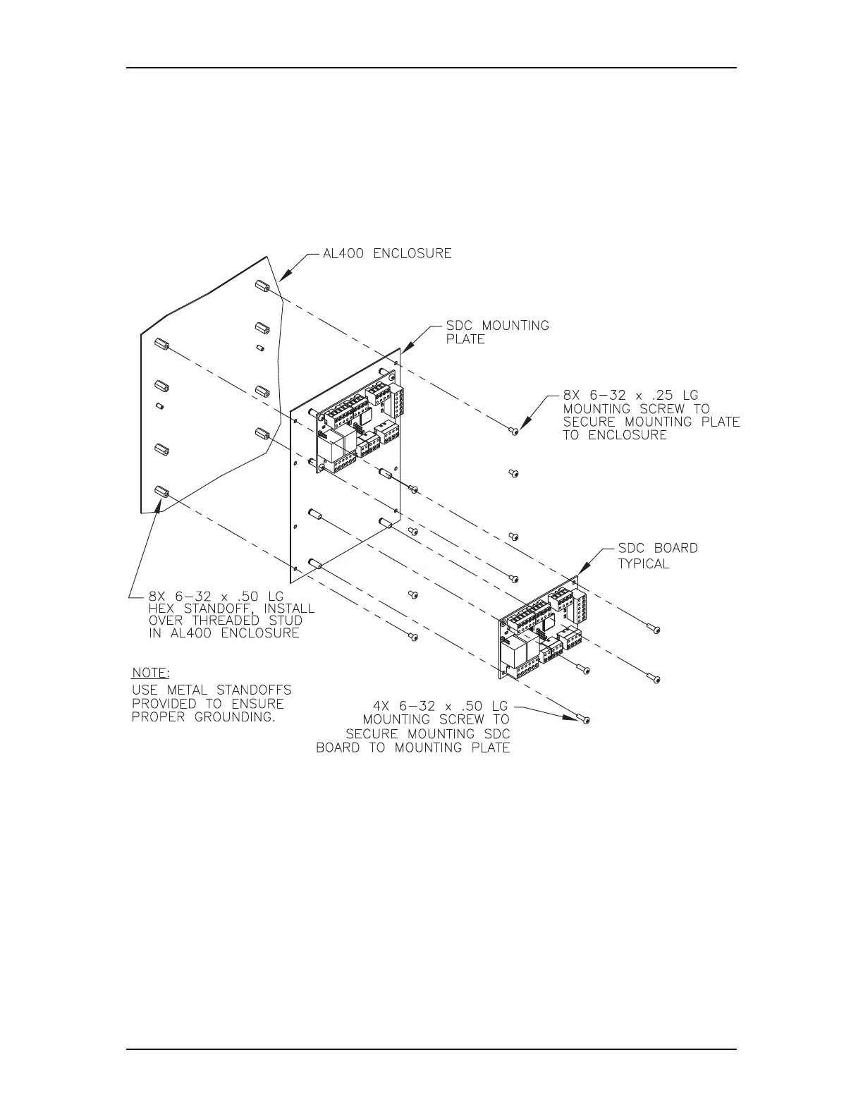
77 Mounting
The SDC can be mounted in the LNL-AL400ULX or LNL-AL600ULX-4CB6 and the LNL-CTX or
LNL-CTX6 enclosure using the Universal Mounting Plate (UMP) LNL-CONV-U2. The universal mounting
plate can hold up to two (2) LNL-1300-U modules.
Mounting the SDC in the LNL-AL400ULX and LNL-CTX

Table of Contents