EasyManua.ls Logo

Lennox BALTIC Series

Lennox BALTIC Series
83 pages
To Next Page IconTo Next Page
To Next Page IconTo Next Page
To Previous Page IconTo Previous Page
To Previous Page IconTo Previous Page
Loading...
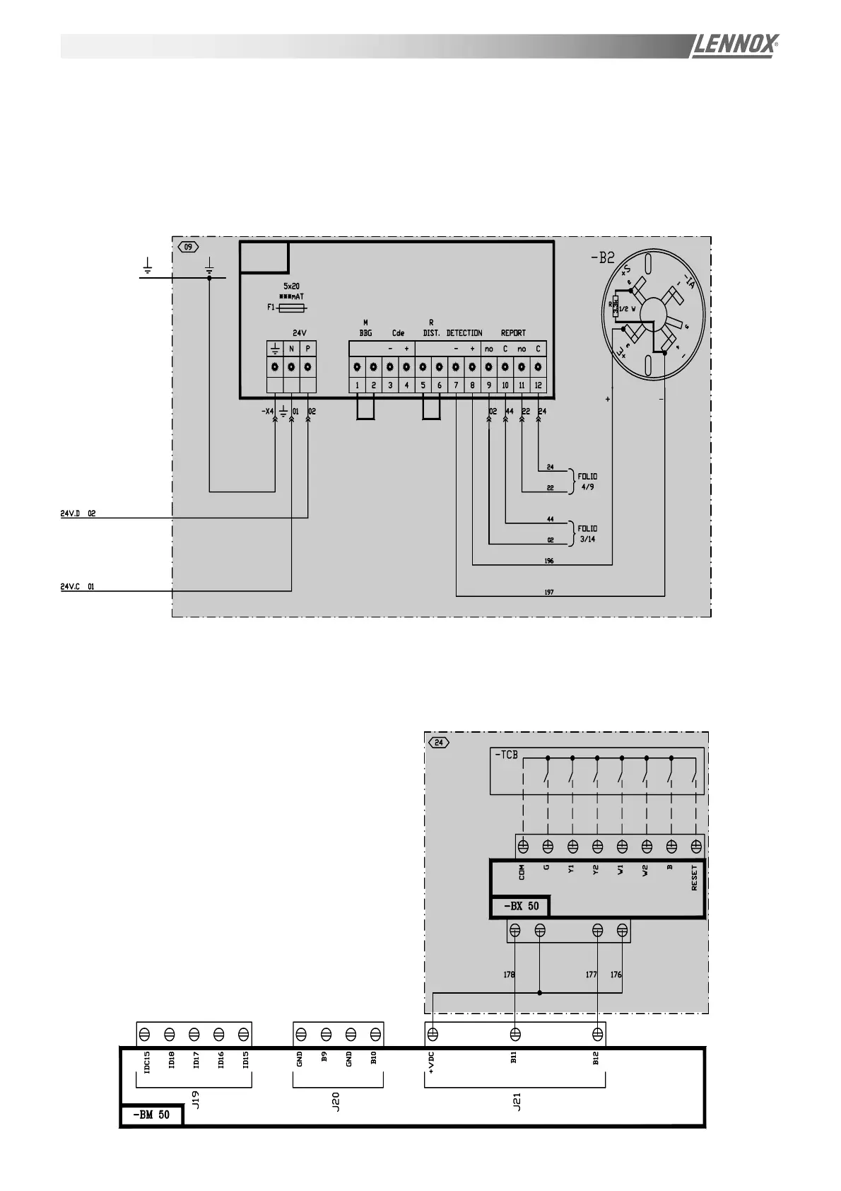
Page 53 - Application Guide 04-2003 / Rooftop BALTIC Series - Page 53
E 11
ELECTRICAL DATA -
DAD SMOKE DETECTOR
INPUT - OUTPUT EXTENSION BOARD (TCB)
wiring diagrams

Related product manuals