EasyManua.ls Logo

Lennox EIM - Page 12

Lennox EIM
24 pages
Print Icon
To Next Page IconTo Next Page
To Next Page IconTo Next Page
To Previous Page IconTo Previous Page
To Previous Page IconTo Previous Page
Loading...
12
REMOVE JUMPER BETWEEN R AND W2
IF PRESENT. IT MAY CAUSE
ERRONEOUS ALERT CODE 125.
ICOMFORT SERIES
THERMOSTAT
Y2 OUT
BL
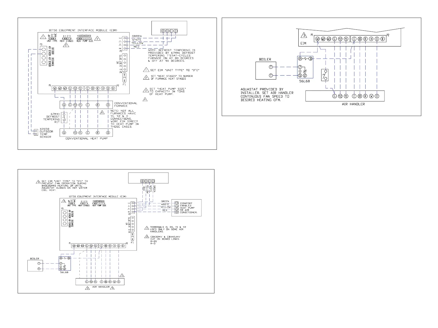
Figure 13. Dual-Fuel - Conventional Furnace with Conventional Heat Pump
(1 or 2-Stage)
ICOMFORT SERIES
THERMOSTAT
Y2 OUT
BL
Figure 14. Baseboard Heat - Conventional Air Handler (CBX32MV(-6) or
CBX40UHV) with either a Lennox Communicating Air Conditioner or Heat Pump
Figure 15. Hot Water Coil Heat with Aquastat Blower Control - Conventional Air
Handler (CBX32MV(-6) or CBX40UHV)

Related product manuals