EasyManua.ls Logo

Lennox EL072XASS - Page 31

Lennox EL072XASS
31 pages
Print Icon
To Previous Page IconTo Previous Page
To Previous Page IconTo Previous Page
Loading...
Page 31
C
New Form No.
Supersedes
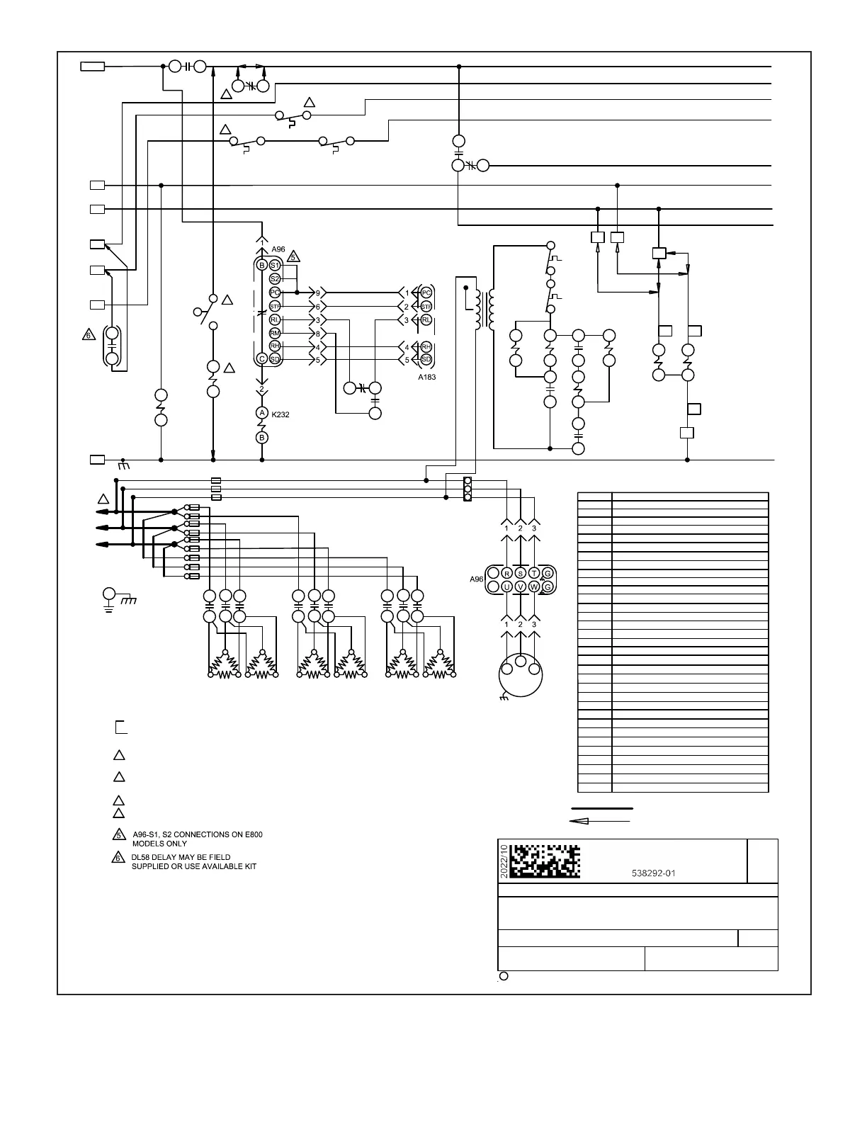
WIRING DIAGRAM
T3EH - ELITE 180,240 UNITS - Y
50 kW
10/22
HEATING - ELECTRIC
SECTION B3 REV 1
538292-01
C
DENOTES OPTIONAL COMPONENTS
COMMON
TB1
LINE VOLTAGE FIELD INSTALLED
IF ANY WIRE IN THIS APPLIANCE IS REPLACED, IT
MUST BE REPLACED WITH WIRE OF LIKE SIZE,
RATING,INSULATION THICKNESS AND TERMINATION
WARNING-ELECTRIC SHOCK HAZARD, CAN CAUSE
INJURY OR DEATH. UNIT MUST BE GROUNDED IN
ACCORDANCE WITH NATIONAL AND LOCAL CODES
DISCONNECT ALL POWER BEFORE SERVICING
B3
MOTOR-BLOWER
COMPONENT
KEY
A183
CONTROL, VFD BOARD
A96
CONTROL, INVERTER
K43-1
R
G
W1
W2
K232
K220-1
K220
S149
Y2
Y1
H1
H2
C2
C1
TB1
TB1
7
2
5
7 2
A
B
1
1
1
24VAC
S49
S50
A
B
C
C
TB1
TB1
S20
K9-1
T2
W1
TB1
W1
HEAT PUMP
UNITS
COOLING
UNITS
9
6
W2
K9
K15
S15
2
K43
A
B
C3
Y3
VFD CONTROL (G)
S50
4
S50 LOCATION ON UNITS WITH ONE
COMPRESSOR
4
USE COPPER CONDUCTORS ONLY
S50 LOCATION ON UNITS WITH TWO
COMPRESSORS
S149 SWITCH AND K220 RELAY MAY BE
FIELD SUPPLIED OR USE AVAILABLE KIT
3
2
1
B3
J247
P247
J246
P246
TB13
GROUND
F3
F4
3
L3
L2
L1
HE3
50 8.3
180, 240
KW
HE1 HE2
K17
W2
A
B
K19
208V
K32-1
K32
K19-1
W2
COOLING
UNITS
HE5 HE6HE4
HE1
K15-1
HE2
HE3
HE4
HE5
K17-1
HE6
8.3 8.3 8.3 8.3 8.3
K16-1
K16
TB1
7
4
H2
K264-1
P248
J248
1
J248
P248
J248
P248
K43,-1
RELAY-ECONOMIZER BLOWER
J/P248
JACK, PLUG-VFD CONTROL
K220,-1 RELAY-OVERFLOW
S149
SWITCH-OVERFLOW
TB1
TERMINAL STRIP-CLASS II VOLT
S49
S50
SWITCH-FREEZESTAT COMPRESSOR 1
SWITCH-FREEZESTAT COMPRESSOR 2
ELEMENT-ELECTRIC HEAT 1
ELEMENT-ELECTRIC HEAT 2
T2
TRANSFORMER-ELECTRIC HEAT
RELAY-HEAT
FUSE-UNIT
FUSE-ELECTRIC HEAT
F3
F4
HE1
HE2
CONTACTOR-ELECTRIC HT 1
RELAY-A96 SIGNAL SWITCHING
SWITCH-LIMIT,PRIMARY,ELECT HT
SWITCH-LIMIT,SECONDARY ELECT HT
K264-1
S15
S20
K15,-1
K9,-1
TB13
TERMINAL STRIP-POWER DISTRIBUTION
J/P247
JACK, PLUG-VFD TO MOTOR
J/P246
JACK, PLUG-POWER TO VFD
ELEMENT-ELECTRIC HEAT 3
ELEMENT-ELECTRIC HEAT 4
K232
RELAY-INVERTER PROTECTION
HE3
HE4
CONTACTOR-ELECTRIC HT 2
K16,-1
RELAY-STAGE TWO HEAT
K19,-1
RELAY-SEQUENCER, ELECTRIC HEAT 1
K32,-1
ELEMENT-ELECTRIC HEAT 5
HE5
ELEMENT-ELECTRIC HEAT 6
HE6
CONTACTOR-ELECTRIC HT 3
K17,-1
DL58
DELAY, ADJUSTABLE, ON MAKE
1
3
DL58
FIGURE 11

Related product manuals