EasyManua.ls Logo

Lennox ELA090S4D - Page 26

Lennox ELA090S4D
29 pages
Print Icon
To Next Page IconTo Next Page
To Next Page IconTo Next Page
To Previous Page IconTo Previous Page
To Previous Page IconTo Previous Page
Loading...
Page 26
Lennox Commercial
HEATING - ELECTRIC
REV 0
C
K43-1
DENOTES OPTIONAL COMPONENTS
B3
MOTOR-BLOWER
K43,-1 RELAY-ECONOMIZER BLOWER
R
G
W1
W2
COMMON
K220-1
K220
S149
K220,-1
RELAY-OVERFLOW
S149 SWITCH-OVERFLOW
Y2
Y1
TB1
H1
H2
C2
C1
TB1
TB1
7
2
TB1 TERMINAL STRIP-CLASS II VOLT
5
7 2
A
B
S49
S50
SWITCH-FREEZESTAT COMPRESSOR 1
SWITCH-FREEZESTAT COMPRESSOR 2
GROUND
1
1
1
24VAC
S50
S49
HE2
208
A
B
C
C
TB1
TB1
S20
K9-1
T2
ELEMENT-ELECTRIC HEAT 1
ELEMENT-ELECTRIC HEAT 2
T2
TRANSFORMER-ELECTRIC HEAT
W1
F3
10
15
5
7.5
5
7.5
TB1
W1
W2
ELP
UNITS
ELS
UNITS
LINE VOLTAGE FIELD INSTALLED
3
IF ANY WIRE IN THIS APPLIANCE IS REPLACED, IT
MUST BE REPLACED WITH WIRE OF LIKE SIZE,
RATING, INSULATION THICKNESS AND TERMINATION
WARNING-ELECTRIC SHOCK HAZARD, CAN CAUSE
INJURY OR DEATH. UNIT MUST BE GROUNDED IN
ACCORDANCE WITH NATIONAL AND LOCAL CODES
DISCONNECT ALL POWER BEFORE SERVICING
072, 090, 120, 150
KEY
COMPONENT
F3
FUSE-ELECTRIC HEAT
F4
FUSE-UNIT
HE1
HE2
RELAY-HEAT
CONTACTOR-ELECTRIC HT 1
K9,-1
K15,-1
S15
SWITCH-LIMIT,SECONDARY ELECT HTS20
SWITCH-LIMIT,PRIMARY,ELECT HT
KW HE1 HE2
HE3 HE4
HE1
K15-1
S15
K15
K9
F4
L3
L2
L1
K232
9 6
K43
A
B
PC
STF
RL
RH
PC
STF
RL
RH
SD
1
2
3
4
5SD
H2
A183
B
C
1
2
K232
A
B
P248
J248
J248
P248
A96
R S T
WV
U
G
G
A96
B3
TB13
A183
A96
CONTROL,VFD BOARD
CONTROL, INVERTER
TB13
TERMINAL STRIP-POWER DISTRIBUTION
K232 RELAY-INVERTER PROTECTION
J/P246
J/P247
J/P248
JACK, PLUG-POWER TO VFD
JACK, PLUG-VFD TO MOTOR
JACK, PLUG-VFD CONTROL
VFD CONTROL (G)
S50
4
3 USE COPPER CONDUCTORS ONLY
S50 LOCATION ON UNITS WITH TWO
SINGLE SPEED COMPRESSORS
S149 SWITCH AND K220 RELAY MAY BE
FIELD SUPPLIED OR USE AVAILABLE KIT
2
1
4
S50 LOCATION ON UNITS WITH ONE
DUAL SPEED COMPRESSOR
30-10-2017 04:37:04 PM, 7X10
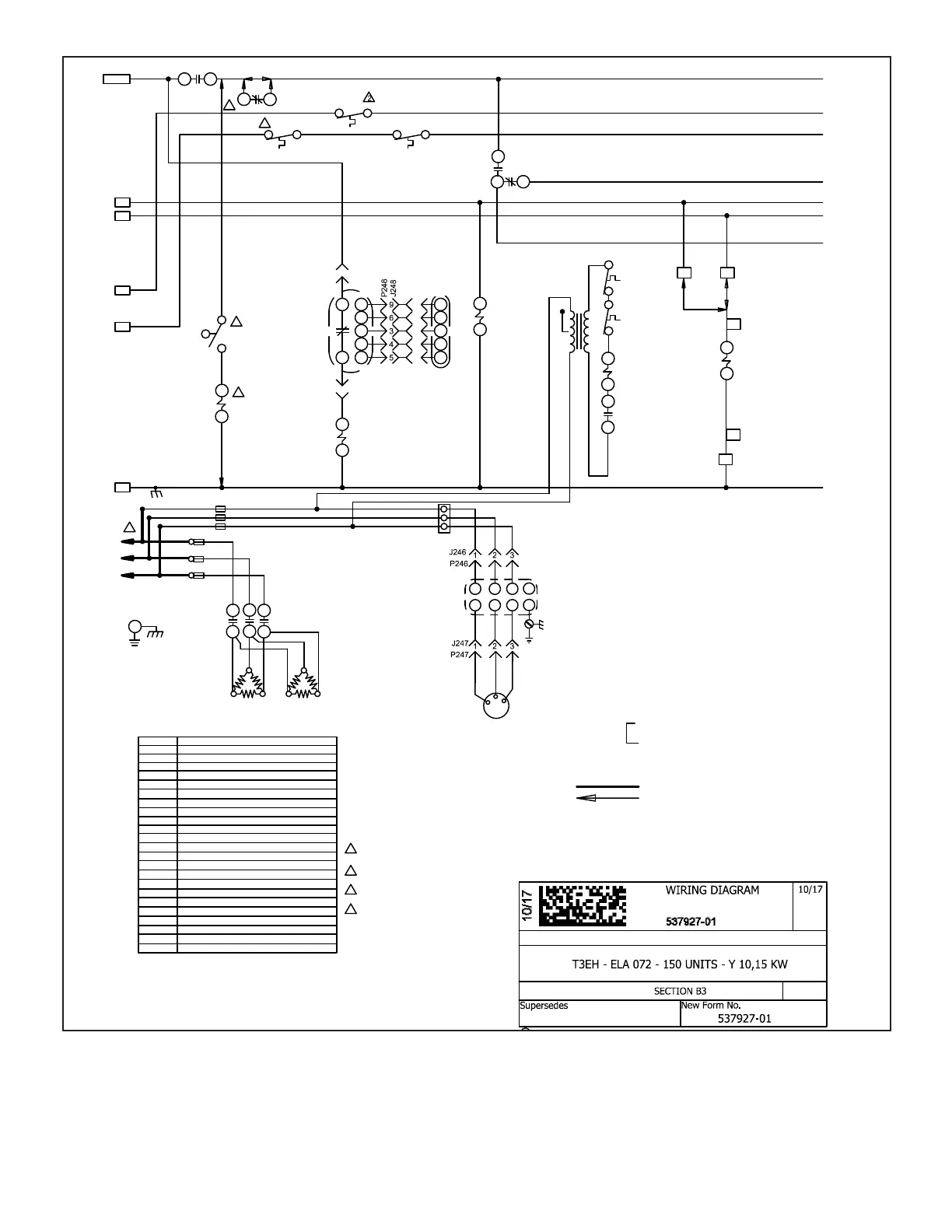
T3EH 072/150, 10−15 kW Y Voltage − Sequence of Op-
eration
Heat Call ELS / ELP
1 - W1 (W2 in ELP) heat demand energizes the
economizer relay K43 and heat relay K9.
2 - K9−1 closes energizing contactor K15.
3 - K15−1 closes and assuming primary limit S15 and
secondary limit S20 are closed, heating elements
HE1 and HE2 are energized.

Related product manuals