EasyManua.ls Logo

Lennox ELITE 12GCS Series

Lennox ELITE 12GCS Series
24 pages
To Previous Page IconTo Previous Page
To Previous Page IconTo Previous Page
Loading...
Page 24
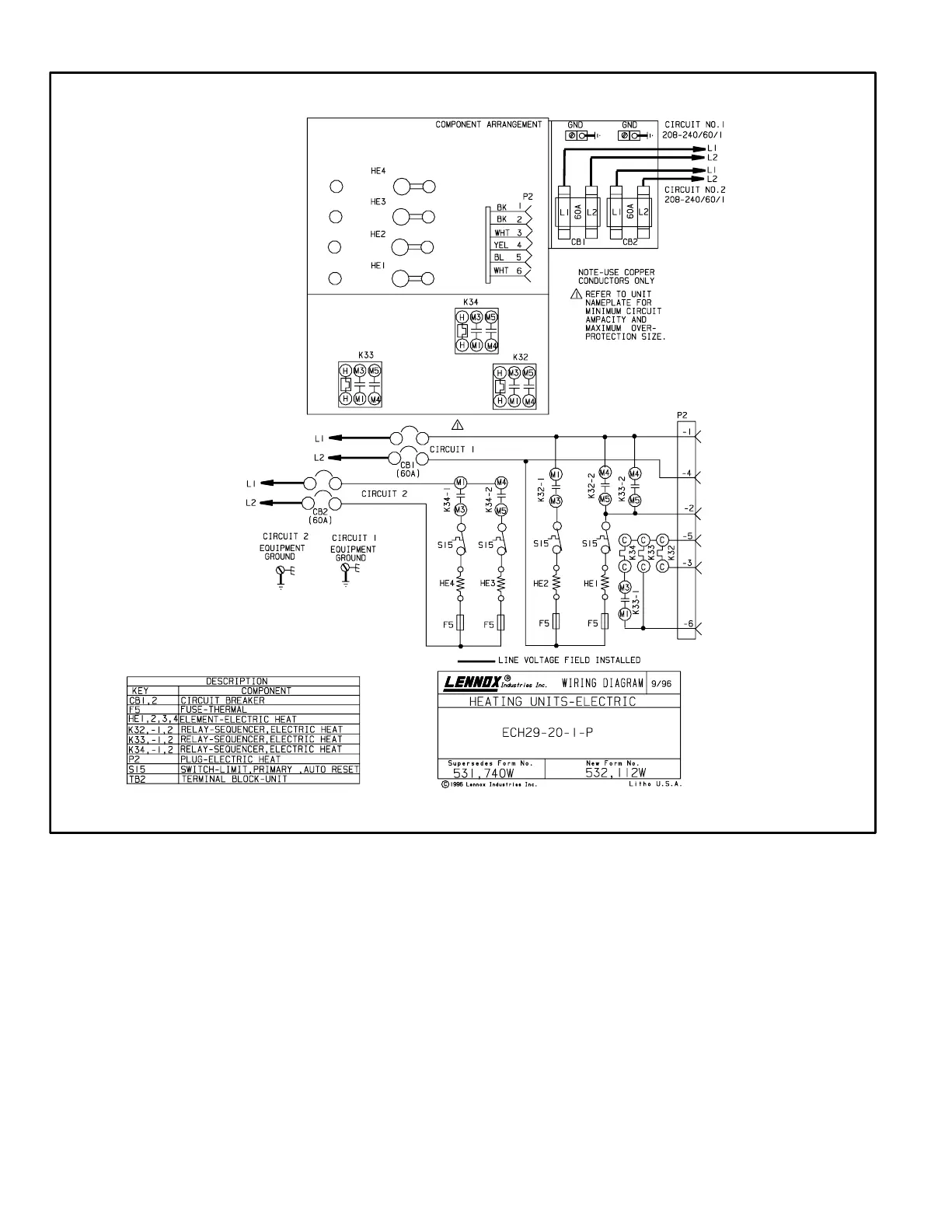
E−ECH29−1−P (ECH29−20 Shown )
First Stage Heat
1− When there is a call for heat, Y1 energizes electric heat
relay K32 through P2−3.
2− When K32−1 closes, electric heat element HE2 is ener-
gized assuming the N.C. primary limit S15 is closed.
K32−2 closes energizing blower B3 through P2−2, and
heating element HE1.
Second Stage Heat
3− W2 energizes electric heat relay K33 through P2−6.
4− K33−1 closes energizing K34.
5− When K34−1 closes, heating element HE4 is energized
assuming primary limit S15 is closed.
6− When K33−2 closes, the blower will energize through
P2−2 (if it has not been energized before).
7− When K34−2 closes, heating element HE3 is energized
assuming primary limit S15 is closed.

Related product manuals