EasyManua.ls Logo

Lennox FHM 85 - Gas Burner 180;240 Kw

Lennox FHM 85
110 pages
To Next Page IconTo Next Page
To Next Page IconTo Next Page
To Previous Page IconTo Previous Page
To Previous Page IconTo Previous Page
Loading...
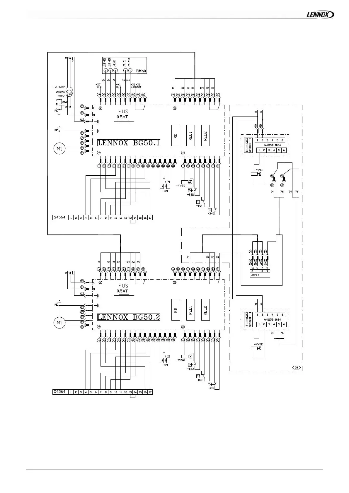
IOM FLEXY II 1007 E Page 80
WIRING DIAGRAM GAS BURNER 180 / 240kW
ELECTRICAL DATA
: WIRING DIAGRAMS

Table of Contents

Other manuals for Lennox FHM 85

Related product manuals