EasyManua.ls Logo

Lennox G23Q3/4X-100 - Page 20

Lennox G23Q3/4X-100
31 pages
To Next Page IconTo Next Page
To Next Page IconTo Next Page
To Previous Page IconTo Previous Page
To Previous Page IconTo Previous Page
Loading...
Page 20
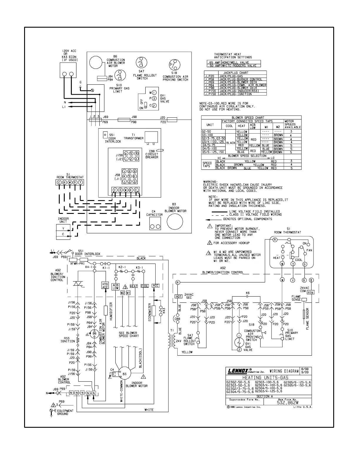
G23(X) SCHEMATIC WIRING DIAGRAM
FIGURE 22

Related product manuals