EasyManua.ls Logo

Lennox GCWB95W-205

Lennox GCWB95W-205
64 pages
To Next Page IconTo Next Page
To Next Page IconTo Next Page
To Previous Page IconTo Previous Page
To Previous Page IconTo Previous Page
Loading...
60
240012994 Rev. B [08/31/2020]
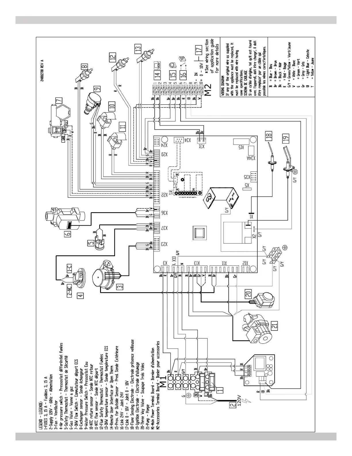
APPENDIX A - WIRING DIAGRAMS
A-3 MODEL 150 - Combi

Table of Contents

Related product manuals