EasyManua.ls Logo

Lennox HP29-024 - Three-Phase Wiring Diagram Details

Lennox HP29-024
28 pages
To Next Page IconTo Next Page
To Next Page IconTo Next Page
To Previous Page IconTo Previous Page
To Previous Page IconTo Previous Page
Loading...
Page 27
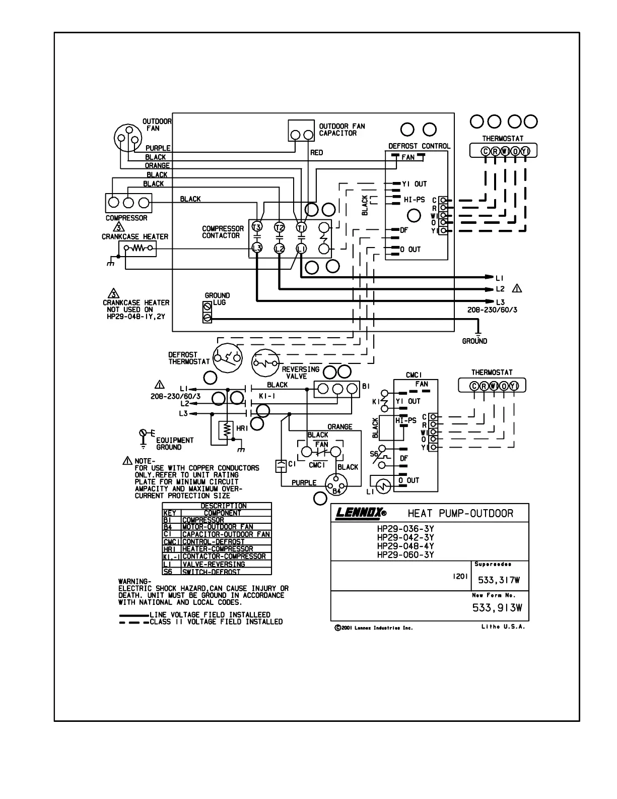
HP29 THREE−PHASE WITH RECIPROCATING
OR SCROLL COMPRESSOR
1
2
3
5
6
7
8
9
10
11
13
15
14
16
17
18
19
1
18

Related product manuals