EasyManua.ls Logo

Lennox LCH 048

Lennox LCH 048
140 pages
To Next Page IconTo Next Page
To Next Page IconTo Next Page
To Previous Page IconTo Previous Page
To Previous Page IconTo Previous Page
Loading...
Page 10
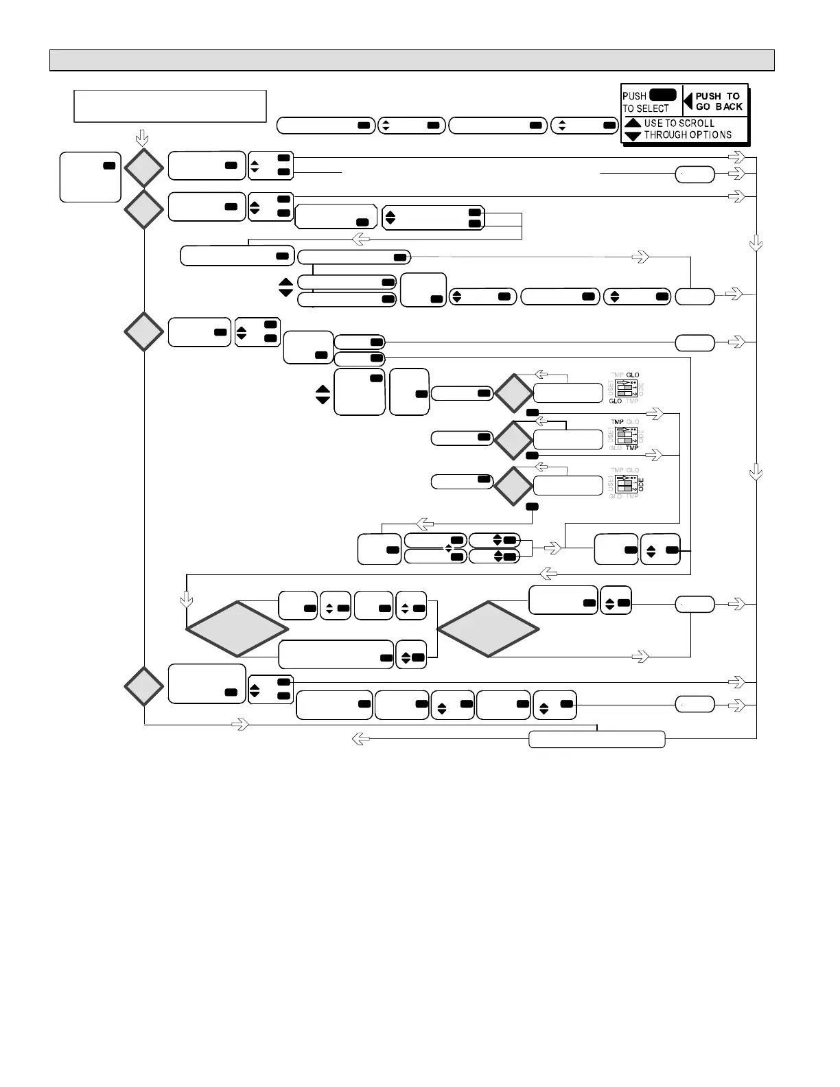
GUIDED SETUP Menu Interface GUIDED SETUP (Continued)
DAMPER
FULL
OPEN STPT
DAMPER
START
OPEN STPT
SETUP
EQUIP
MENT
CHANGE
HUMIDITROL
SETTINGS?
MSAV HIGH SPEED XXX%
SELECT SENSOR TYPE
NO SENSOR USE DI4
NETWORK SENSOR
HUMIDITY
SETPOINT
LOCAL SENSOR
SET
DAMPER
TYPE
MANUAL
ECON
GLOBAL
ENTH
TEMP
SET
INPUT
CON
TROL
MOAD
SW1 MUST BE
SET TO TEMP
SW1 MUST BE
SET TO ODE
SW1 MUST BE
SET TO GLO
XX%
MIN DMP
BLWR
LOW
XX%
MIN DMP
BLWR
HIGH
MIN DMP POSITION
XX%
SET EXHAUST
FAN SETPT
XX%
SELECT
TEMP
STPT
OFFSET
OAT STPT
XXºF
XXºF
SUPPLY
AIR
STPT
XX.XºF
YES
XXX PPM
CHECK CO2
SENSOR
THEN PRESS
XXX PPM
SET HUMIDITROL
CONTROL
CONDITION
MSAV LOW SPEED XXX%
OCC/BLOWER
NO CONDITIONS
CHANGE
MSAV
SETTINGS?
NO
YES
XX%RH DEADBAND XX%
NO
YES
CHANGE OA
DAMPER
SETTINGS?
NO
YES
! SET !
3,
4, or 5
ton unit detected
?
NO
YES
Power Exhaust
Detected
?
NO
! SET !
CHANGE
DEMAND VENT
CONTROL
SETTINGS?
NO
YES
! SET !
! SET !
Y
MSAV
N
! SET !
Y
HUM
N
Y
DAMP
N
Y
DVC
N
(SYSTEM CHECKS UNIT CONFIGURATION
AND PROMPTS THE USER FOR ONLY THE
INSTALLED OPTION[S].)
sw1
=glo
?
sw1
=ode
?
sw1
=temp
?
N
Y
N
Y
N
Y
THIS COMPLETES SYSTEM SETUP --
see previous page for save options
EQUIPMENT SETUP COMPLETE
“HUM” ONLY
APPEARS IF UNIT
IS CONFIGURED
FROM FACTORY
WITH
HUMIDITROL, OR
IF A NEW M2
BOARD HAS BEEN
CONFIGURED TO
SUPPORT
HUMIDITROL.
See Page 19 for complete MSAV details

Related product manuals