EasyManua.ls Logo

Lennox LCH 048

Lennox LCH 048
140 pages
To Next Page IconTo Next Page
To Next Page IconTo Next Page
To Previous Page IconTo Previous Page
To Previous Page IconTo Previous Page
Loading...
Page 15
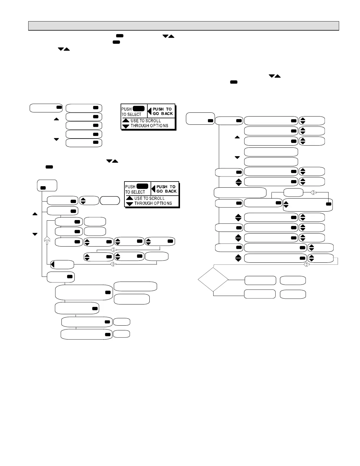
SETTINGS Menu Interface SETTINGS-
From the DISPLAY mode, press and then use to
scroll to SETTINGS. Next, press
to enter the SETTINGS
menu. Use until desired item is displayed.
Use SETTINGS to make changes to the Unit Controller after
initial installation.
Many of the setting changes are the same as install.
Changes are limited by the unit's build information. If you
install new options, you can make changes to equipment
settings beyond the factory values.
Load shed to include power percentage and hard wire.
UNIT
SETPOINTS
CONTROL
OPTIONS
INSTALL
SETTINGS
Use
arrows
to
move
SETTINGS > UNIT
In the SETTINGS menu, use until UNIT is displayed.
Press to enter the UNIT menu. View and change the
current settings.
UNIT
USE ARROWS
TO ADJUST
DATE AND TIME
UNIT NO. XXX !SET !
DATE/TIME
TIME 15:45:00 DISPLAY TIME
DATE 01.01.00 DISPLAY DATE
SET CLK MTH: 03 DAY:18 YR: 2011
HR: 13 MIN: 33 ! SET !
13:33:07
Use
arrows
to
move
CURRENT TEMPERATURE
FORMAT
UNITS F/C
DEGREES FAHRENHEIT
DEGREES CELSIUS
SET TEMPERATURE
DISPLAY FORMAT
DEGREES FAHRENHEIT
DEGREES CELSIUS
! SET !
! SET !
SETTINGS > SETPOINTS > COOLING
HEATING
REHEAT
EXHAUST
IAQ
(Also see SETTINGS > SETPOINTS > DAMPER)
In the SETTINGS menu, use until SETPOINTS is
displayed. Press to enter the SETPOINTS menu.
View and change the current system setpoints setup in the
M2 unit controller as shown in the following diagrams for
COOLING, HEATING, REHEAT, EXHAUST and IAQ.
REHEAT
WILL NOT
BE VISIBLE
UNLESS IT
WAS
INSTALLED
AT THE
FACTORY.
XX%RH [0-99%]
OR DEHUMIDI-
STAT CONTROL
SETPOINTS
(SEPARATE DIA
GRAM FOLLOWS)
Use
arrows
to
move
COOLING OCP COOL BU STPT XX.XºF
UNOCP COOL BU STPT XX.XºF
FREE COOLING STPT XX.XºF
COMP TIME OFF DELAY
COOLING OPTION
HEATING OCP HEAT BU STPT XX.XºF
UNOCP HEAT BU STPT XX.XºF
DAMPER ! SET !
REHEAT REHEAT STPT
REHEAT DEADBAND 3%
EXHAUST SMOKE POS 50%
EXHAUST FAN STPT 50%
DAMPER START OPEN STPT 700PPM
DAMPER FULL OPEN STPT 1200PPM
IAQ/DCV
MAX OA CFM
XXX CFM
MAX DAMPER
POS
XX% OPEN
YES
NO
SmartAirflow™
INSTALLED?

Related product manuals