EasyManua.ls Logo

Lennox LCH048H4E - E1 EH 7.5, 15, 22.5, 30 - Y Voltage Diagram

Lennox LCH048H4E
72 pages
Print Icon
To Next Page IconTo Next Page
To Next Page IconTo Next Page
To Previous Page IconTo Previous Page
To Previous Page IconTo Previous Page
Loading...
Page 68
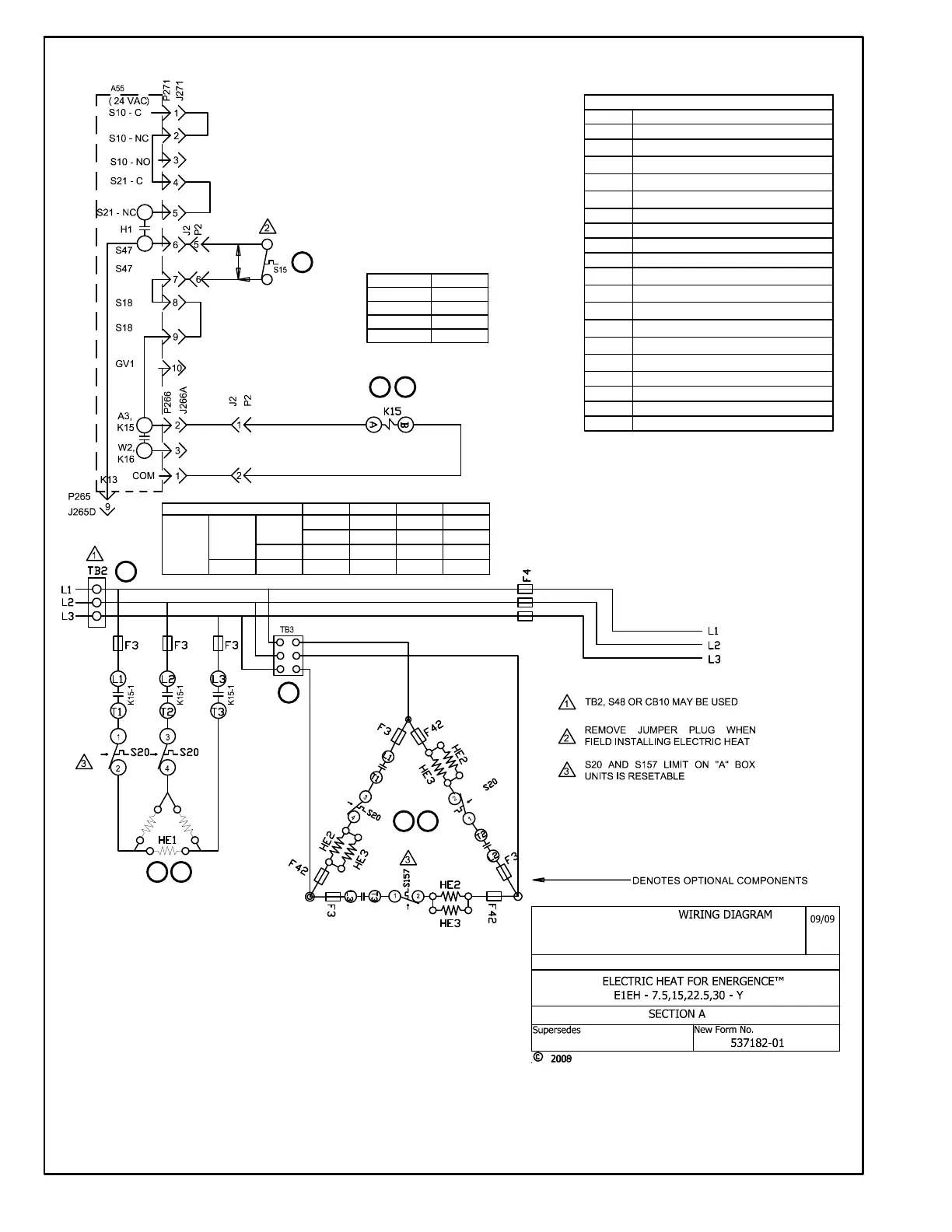
E1EH 7.5, 15, 22.5, 30 -Y ELECTRIC HEAT
Lennox Commercial
HEATING
DESCRIPTION
KEY
DESCRIPTION
A55
PANEL, MAIN
F3
FUSE, ELECTRIC HEAT
F4
FUSE, UNIT
HE 1
ELEMENT, ELECTRIC HEAT 1
HE 2
ELEMENT, ELECTRIC HEAT 2
HE 3
ELEMENT, ELECTRIC HEAT 3
J2
JACK, ELECTRIC HEAT
J265C
JACK, CONTACTOR RELAY
J266A
JACK, HEATING CONTROL STG 1
J271A,B JACK, HEATING SENSORS STG 1
K15,1 CONTACTOR, ELECTRIC HEAT 1
P2
PLUG, ELECTRIC HEAT
P265
PLUG, CONTACTOR RELAY
P266
PLUG, HEATING CONTROL
P271
PLUG, HEATING SENSORS STG 1
S15
SWITCH, LIMIT PRIMARY ELECTRIC HEAT
S20
SWITCH, LIMIT SECONDARY ELECTRIC HEAT 1
S157
SWITCH, LIMIT SECONDARY ELECTRIC HEAT 2
TB2
TERMINAL STRIP, UNIT
DESIGNATION VOLTAGE
Y 208230/60/3
G 460/60/3
J 575/60/3
M
380420/50/3
K151
K151
K151
KW HE1 HE2 HE3
072
060
036
048
7.5 7.5
15 15.0
22.5 15.0 7.5
30 15.0
15.0
3
1
4
6
7
3
4 7
1

Related product manuals