EasyManua.ls Logo

Lennox LCH048H4E - Wiring Diagrams - Direct Drive Units; Direct Drive Unit Diagram (G, J, P, Y)

Lennox LCH048H4E
72 pages
Print Icon
To Next Page IconTo Next Page
To Next Page IconTo Next Page
To Previous Page IconTo Previous Page
To Previous Page IconTo Previous Page
Loading...
Page 63
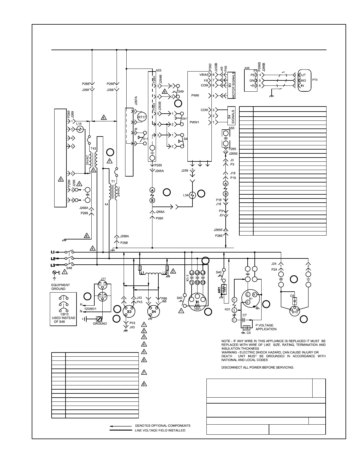
VIII-Wiring Diagrams and Sequence of Operation
LCH036, 048, 060 DIRECT DRIVE G, J, P, Y VOLTAGE UNIT DIAGRAM
1
3
5
7
9
2
7
4
10
11
Form No.
Supersedes
WIRING DIAGRAM
LCH/LGH - 036H,048H,060H - G,J,P,Y
04/18
COOLING
SECTION B REV 0
537738-02
537738-03
24V COMMON
24V POWER
GND
CB8
K1
K65
NOTE: USE COPPER
CONDUCTORS ONLY
T4 USED ONLY ON G AND J VOLTAGE UNITS
120 V FIELD PROVIDED
POWER SUPPLY IS
R E Q U I R E D
T4
USED ON G, J AND Y VOLTAGE APPLICATIONS
KEY
COMPONENT
A55
CONTROL, MAIN PANEL LENNOX
B1
COMPRESSOR 1
B3
MOTOR, BLOWER
B4
MOTOR, OUTDOOR FAN
B10
MOTOR, EXHAUST FAN
C5
CAPACITOR, COMPRESSOR
C6
CAPACITOR, EXHAUST FAN
C7
CAPACITOR, COMPRESSOR HARD START
CB8
CIRCUIT, BREAKER
CB10
CIRCUIT BREAKER, MAIN DISCONNECT UNIT
CB31
CIRCUIT BREAKER, TRANSFORMER T43
HR1
HEATER, COMPRESSOR
J11
JACK, GFI RECEPTICLE
18 EXHAUST FAN
24
EXHAUST FAN
43 BLOWER MORTOR
49 MOTOR VARIABLE SPEED
259 ECM MOTORS
263 HIGH AND LOW PRESSURE SWITCHES
264 BLOWER DECK
265 CONTACTORS AND RELAYS
267 OUTDOOR FAN AREA
268 TRANSFORMER 1 POWER
269 HUMIDITROL
299 HUMIDITROL INTERFACE
K1,1 CONTACTOR, COMPRESSOR
K31
RELAY, HARD START KIT
K651,2 RELAY, EXHAUST FAN
L14
VALVE, SOLENOID REHEAT COIL 1
L34
SOLENOID, TWO STAGE
K651
7
4
L1
T1
CB31
EXTERNAL HUMIDITROL CONTACTS
CONNECT TO L2 ON SINGLE PHASE UNITS.
ONLY IN UNITS WITH HUMIDITROL OR PHASE
DETECTION OPTION
T43
T43
L14
L30
DI 4
RSV
R
A55
K11
L2
T2
K652
9
6
GND
J268-1, -3 AND J268-2,-4 ARE CONNECTED ON
UNITS WITHOUT HUMIDITROL OR PHASE
DETECTION OPTIONS
24V COMMON
MOVE WIRE FROM 240 TO 208 TAP ON T1 OR
T43 TRANSFORMERS FOR 208 LINE VOLTAGE
APPLICTIONS
S49 IS PART OF A 5VDC CIRCUIT
3 ECONOMIZER BYPASS
RT17
SENSOR, OUTDOOR AIR
S4
SWITCH, LIMIT HI PRESS
S11
SWITCH, LOW PRESS, LOW AMBIENT KIT
S40
THERMOSTAT, CRANKCASE
S48
SWITCH, DISCONNECT
S49
SWITCH, FREEZESTAT
S87 SWITCH, LOW PRESS, COMPRESSOR 1
T1
TRANSFORMER, CONTROL
T4
TRANSFORMER, BLOWER MOTOR
T43
TRANSFORMER, REHEAT
J/P # JACK/PLUG DESCRIPTION
GND
PT5
PRESSURE TRANSDUCER, ECONOMIZER
266 HEATING CONTROL STG 1
A55
(010VDC)
F27 F27
F27
FUSE, T4 TRANSFORMER PRIMARY
A55
(010VDC)
86 OUTDOOR FAN INTERFACE
6
6

Related product manuals