EasyManua.ls Logo

Lennox LGH240H

Lennox LGH240H
120 pages
To Next Page IconTo Next Page
To Next Page IconTo Next Page
To Previous Page IconTo Previous Page
To Previous Page IconTo Previous Page
Loading...
Page 115
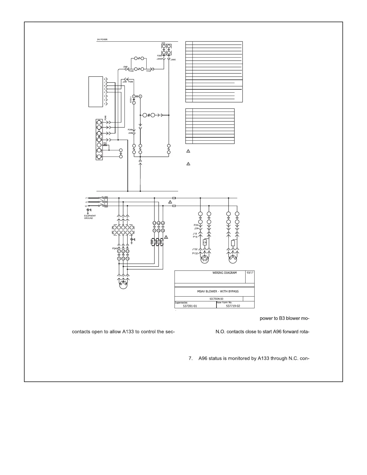
Staged-Blower UNITS - WITH BYPASS
1. A55 energizes K202 and K203 relay coils.
2. K203-1 N.O. contacts close and K203-3 N.C.
ond stage power exhaust relay K231 coil through
pin #5. K231-1 and -2 N.O. contacts will close to
start the second power exhaust fan B11 when
A133 energizes K231 coil.
3. K203-1 N.C. contacts open to de-energize K3
relay coil. K3 contacts open to interrupt power to
B3 blower motor through K3 N.O. relay contacts.
4. K202 contacts close to allow
tor from A96.
5. K203-2
tion signal STF.
6. Blower B3 speed is controlled by a 0-10VDC signal
from A133 AO1 to A96 terminal 2.
tacts B-C on A96.
COOLING
REV. 0
S42 USED ON M−VOLT UNITS AND UNITS WITH
HIGH EFFICIENCY MOTORS AND MOTORS
LESS INTERNAL OVERLOAD PROTECTION
S48
B11
C8
F6
F6
P133
J133
TB13
F6 FUSES ARE USED ON 240/300 Y−VOLT
UNITS WITH FACTORY INSTALLED
POWER EXHAUST
F6 FUSES ARE USED ON ALL Y−VOLT
UNITS WITH FIELD INSTALLED POWER
EXHAUST
RST
WV
U
G
G
A96
J246
P246
J247
K3
K231-1
7
4
K231-2
9
6
S42
K202
J249
P247
B3
P24
J24
P18
J18
KEY COMPONENT
A55
PANEL, MAIN CONTROL
A96
CONTROL, INVERTER
A133
CONTROL, GENERAL PURPOSE
B3
MOTOR, BLOWER
B10
MOTOR, EXHAUST FAN 1
B11
MOTOR, EXHAUST FAN 2
C6
CAPACITOR, EXHAUST FAN 1
C8
CAPACITOR, EXHAUST FAN 2
F6
FUSE, EXHAUST FAN
18 POWER EXHAUST HARNESS
24
POWER, RELAY TO EXHAUST FANS
132POWER TO EXHAUST FAN MOTOR 1
133POWER TO EXHAUST FAN MOTOR 2
194
GP CONTROL INPUT, OUTPUT
246POWER TO VFD
247
POWER, VFD TO MTR
265A55 TO CONTACTORS & RELAYS
K65
RELAY, EXHAUST FAN
K203
RELAY, INVERTER START FWD ROTATION
S48
SWITCH, DISCONNECT
TB13
TERMINAL STRIP, POWER DISTRIBUTION
248VFD CONTROL
J/P JACK/PLUG DESCRIPTION
K202
CONTACTOR, VFD POWER TO MOTOR
K231
RELAY, EXHAUST FAN 2
K3
CONTACTOR, BLOWER
249
POWER, CONTACTOR BYPASS
K65
A
B
P265
J265E
K231
A
B
24V COMMON
K203-2
9
6
STF
SD
K203
A
B
2
A96
5
C
B
J248
J248
K202
A
B
K3
A
B
P248
J248
K203-3
8
2
P248
J248
S42
SWITCH, OVERLOAD RELAY BLWR MOTOR
J259
(ODF)PWM 2
(ODF)PWM 3
COM
(IDB)PWM 1/VO
RELAY
COM
FB
20V
A55
K65-1
7
4
K65-2
9
6
PC
R55
RESISTOR, VFD LOADING, A96

Other manuals for Lennox LGH240H

Related product manuals