EasyManua.ls Logo

Lennox LGT092H4E

Lennox LGT092H4E
61 pages
To Next Page IconTo Next Page
To Next Page IconTo Next Page
To Previous Page IconTo Previous Page
To Previous Page IconTo Previous Page
Loading...

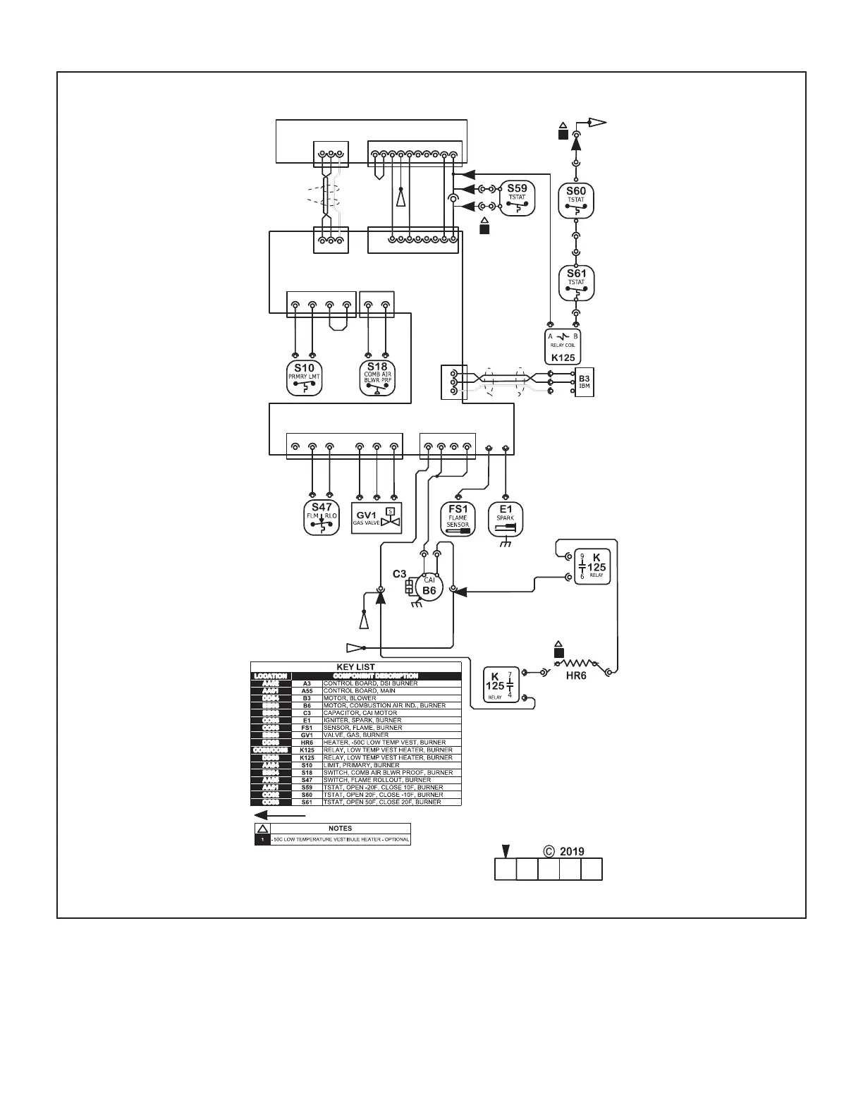
X-Wiring Diagrams and Sequence of Operation
GAS HEAT FOR LGT092H-150H UNITS
Y and G Voltage
RED
RED
1
2
DRNWR
PNK
BRN
BLU
BLU
COM
HI
M
1
2345
6
78910
12345678
123456
123412
132
132
1234
1
P229
2
P229
3
4
P229
5
6
P229
7
6
2
3
1
RED
DRNWR
1
P19
2
LTVH−1
LTVH−2
1
P228
2
P228
WHT
WHT
BLK
BRN
BLU
RED
BRN
WHT
WHT−RED
RED
RED
WHT−RED
WHT−RED
WHT
WHT
BLU
WHT
WHT
RED
GRY
WHT
WHT
BRN
WHT
GRY
WB−001
WB−007
Model: LG* Series RTU − Gas Heat
130k, 180k, 240k BtuH
Voltage: 208/240/3/60(Y),460/3/60(G)
Supersedes: XXXXXX−XX Form No: Rev:0
RED
RED
GRY
BLU
Y
BLU
GRY
PNK
RED
RED
BLK
A
J413
P413
GB
MODBUS
P411
J411
AGB
MODBUS−1
J374
P374
L1−LINE
LOW1
LOW2
HIGH
FLAMESENS
SPARK
1
MODBUS
CABLE
LOWTEMPERATURE
VESTIBULEHEATER,
BURNER 1
1
FROM F10 T1 LOAD,
B−SECT LOCFF09
FROM F10T2LOAD,
B−SECT FF09
J412
P412
LOW TEMPVESTHTR
BURNER1
A
G
B
MODBUS−2
MODBUS CABLE
FROM
S60
DENOTESOPTIONALCOMPONENTS ANDWIRING
A3
DSICTRL1
GND
538149−03
SEC
A
HTG
CLG
SEC
B
WI RI NG DI AG RAM FLOW
SEC
B3
CLG
SEC
C
ACCS
SEC
D
ACCS
GND
HEAT2
24VAC
1
GND
HEAT1
GND
A55
J393
P393
MAINCTRL
MGV
P406
J406
COM
R1
W1
W2
R2
P425
D1
MGV1
MGV2
J408
P408
GV−M
GV−COM
GV−HI
S47
S47
TO
A55.P393
P425
S10
S10
S21
S21
J407
P407
S18
S18
J410
P410

Related product manuals