EasyManua.ls Logo

Lennox M33A036S4-1P - Page 26

Lennox M33A036S4-1P
28 pages
Print Icon
To Next Page IconTo Next Page
To Next Page IconTo Next Page
To Previous Page IconTo Previous Page
To Previous Page IconTo Previous Page
Loading...
26
DR IV ER B OA RD
CODE
PART NAME
COMPRESSOR
D
HE AT 1
CT1
AC CURRENT DETECTOR
4-WAY VALVE
COMP
EXV
ELECTRIC EXPANS IO N
VALV E
H-PRO
L-PRO
LOW PRESSURE SWIT CH
HIGH PRE SSURE SWIT CH
T3
T4
OUTDOOR COIL
TEMPERATURE SENSOR
OUTDOOR
TEMPERATURE SENSOR
CRANKCAS E HEAT ER
DIODE MODULE
SV
L
PFC INDUCTOR
TH
HEATSINK
TEMPERATURE SENSOR
T5
COMPRESSOR DISCHARGE
TEMPERATURE SENSOR
MAIN BOARD
FM1,FM2
OUTDOOR DC FAN
EX V
O
UT DO
OR T E MP
. S E NS OR
O
UT DO OR C O
L
I T E MP .
S E
NS O R
D
12
3
4
5
P5
CN19
CN20
CN24
CN25
CN17
FAN1
CN18
HEAT1
HEAT2
SV
4-WAY
VALVE
BLUE
RED
BLUE
CN4
CN2
CN3
CN1
CO MP
U
V
W
Y/G
CN6
CN9
10
3
CN1
CN2
L
YELLOW
YELLOW
U
V
W
BLUE
BLACK
RED
RED/WIHTE
BLACK
RED
BLACK
CH1
CT1
FM 2
FM 1
Y/G
Y/G
DC MOT OR
DR IV ER B OA RD
CON1
FAN1
CN1
FAN2
3
3
P6
2
CN6
CN3
Y/G
BLACK
TO INDOOR COMM. BUS
XT 2
YE L LOW
GR AY
S1
S2
NOTE: PLEASE USE 2-CORE
SHIELDED WIRE
L2
L1
MAIN
POWER SUPPLY
XT1
TO IN DOOR UNIT
L1
Y/G
XT2
1
L2
1
L2
1
NL
N
L
P9
P7
P8
CN22
RED
BLUE/BLACK
ORAN GE
ORA NGE
RED
BLACK
CH2
CH2
CH2
~
~
~
C OMP R E S S
OR D SI
C HAR G E
T E MP .
S
E
NS
OR
HE AT 2
PAN HEAT ER
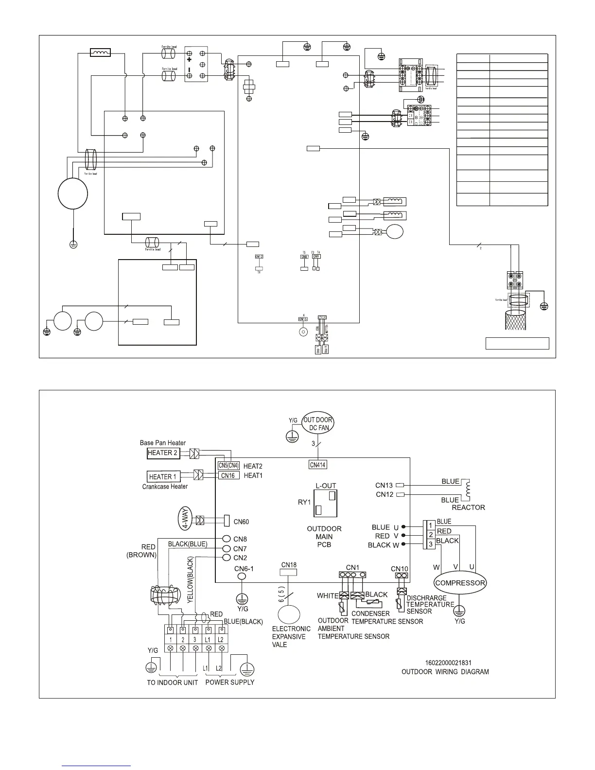
Figure 41. 208/230V MPB048S4S-*P Outdoor Unit Wiring Diagram
Figure 42. 208/230V MLA009, 012 and 018S4S-*P Outdoor Unit Wiring Diagram

Other manuals for Lennox M33A036S4-1P

Related product manuals