EasyManua.ls Logo

Lennox MPA036S4M-1P - M22 A009 S4-1 P, M22 A012 S4-1 P, M22 A018 S4-1 P, M33 A024 S4-1 P Unit Wiring Diagram

Lennox MPA036S4M-1P
258 pages
To Next Page IconTo Next Page
To Next Page IconTo Next Page
To Previous Page IconTo Previous Page
To Previous Page IconTo Previous Page
Loading...
Lennox Mini-Split Service Manual / Page 99
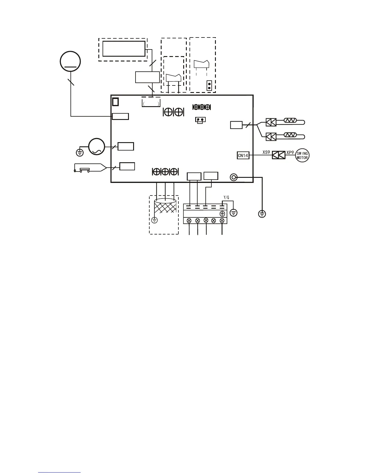
M22A009S4-1P, M22A012S4-1P, M22A018S4-1P, M33A024S4-1P Unit Wiring Diagram
Typical wiring diagram.
Refer to wiring diagram
on the unit for actual
wiring.
123
CN13
DISPLAY
BOARD
10
T2
T1
CN6
4
ROOM TEMP.SENSOR
BLACK
WHITE
CN10A
M
PUMP
2
INDOOR UNIT
MAINBOARD
TO WIRE
CONTROLLER
5
CN23
ON - OFF
Remote
Control
CN33
ALARM
Alarm
Output
CN15
M
Motor
5
RED(BROWN)
CN1
BLUE(BLACK)
CN5
WATER LEVEL SWITCH
E Y X
To CCM
Comm.Bus
P1
CN3
JR6
JR6
2
Y/G
CN110
YELLOW
TO OUTDOOR UNIT
P5
CN10
INDOOR COIL TEMP. SENSOR
Note1:remove the JR6 jumper for
remote on/off control

Table of Contents

Related product manuals