EasyManua.ls Logo

Lennox SL280UHNV Series - Page 42

Lennox SL280UHNV Series
53 pages
Print Icon
To Next Page IconTo Next Page
To Next Page IconTo Next Page
To Previous Page IconTo Previous Page
To Previous Page IconTo Previous Page
Loading...
Page 42
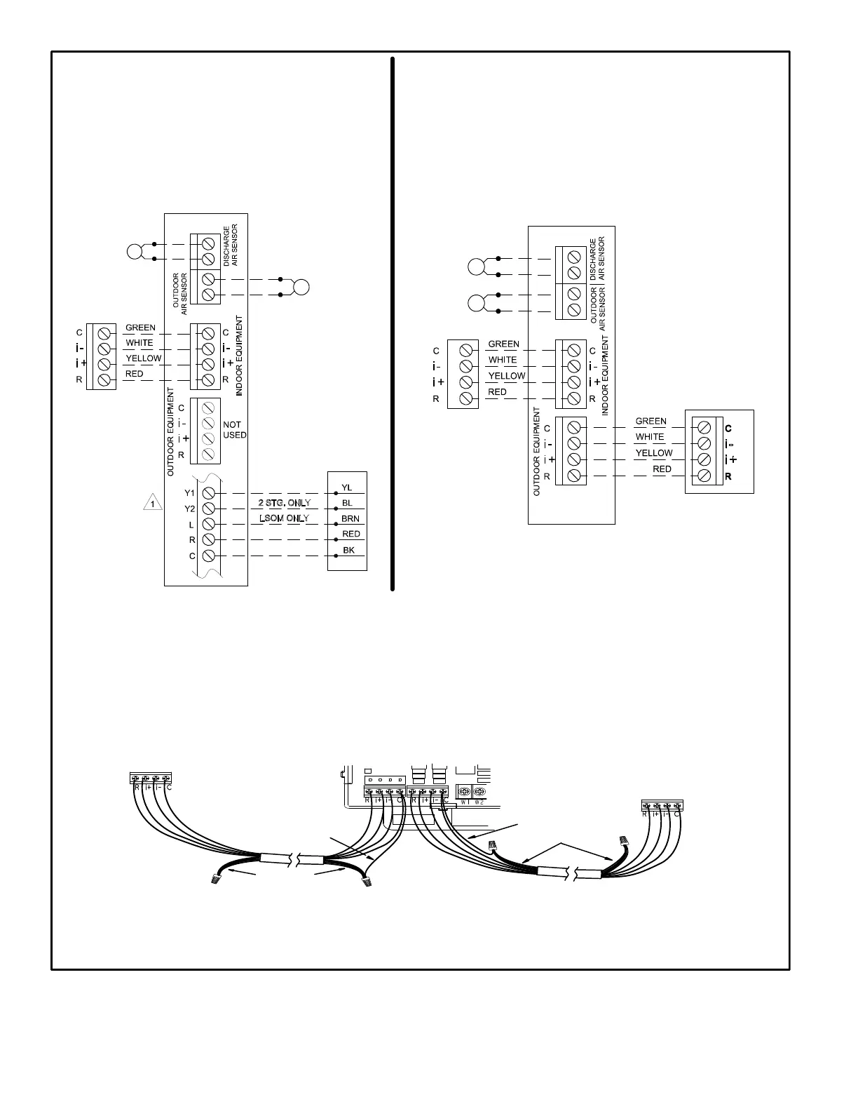
Communicating Enabled Furnace and
Non-Communicating Outdoor Unit
COMMUNICATING
FURNACE
COMMUNICATING
THERMOSTAT
NON-COMMUNICATING
OUTDOOR AIR
CONDITIONING UNIT -
1 OR 2 STAGE
OPTIONAL
OUTDOOR
AIR SENSOR
OPTIONAL
DISCHARGE
AIR SENSOR
COMMUNICATING ENABLED
OUTDOOR UNIT
OPTIONAL
OUTDOOR
AIR SENSOR
OPTIONAL
DISCHARGE
AIR SENSOR
CLIP ON-BOARD LINK
W915 (Y1 TO Y2) FOR
TWO-STAGE OPERATION
Communicating systems require four thermostat wires between the thermostat and
the furnace/air handler control and four wires between the outdoor unit and the fur
nace/air handler control. When a thermostat cable with more than four wires is used,
the extra wires must be properly connected to avoid electrical noise. The wires must
not be left disconnected.
Use wire nuts to bundle the four unused wires at each end of the cable. A single wire
should then be connected to the indoor unit end of the wire bundle and attached to the
“C” terminals as shown below.
Communicating Enabled Control
Outdoor Unit
Single wire
to terminal C
Single wire
to terminal C
Unused wires
Unused wires
Communicating Enabled Furnace and
Communicating Enabled Outdoor Unit
COMMUNICATING
FURNACE
COMMUNICATING
THERMOSTAT

Other manuals for Lennox SL280UHNV Series

Related product manuals