EasyManua.ls Logo

Lennox SL280UHNV Series - Page 43

Lennox SL280UHNV Series
53 pages
Print Icon
To Next Page IconTo Next Page
To Next Page IconTo Next Page
To Previous Page IconTo Previous Page
To Previous Page IconTo Previous Page
Loading...
Page 43
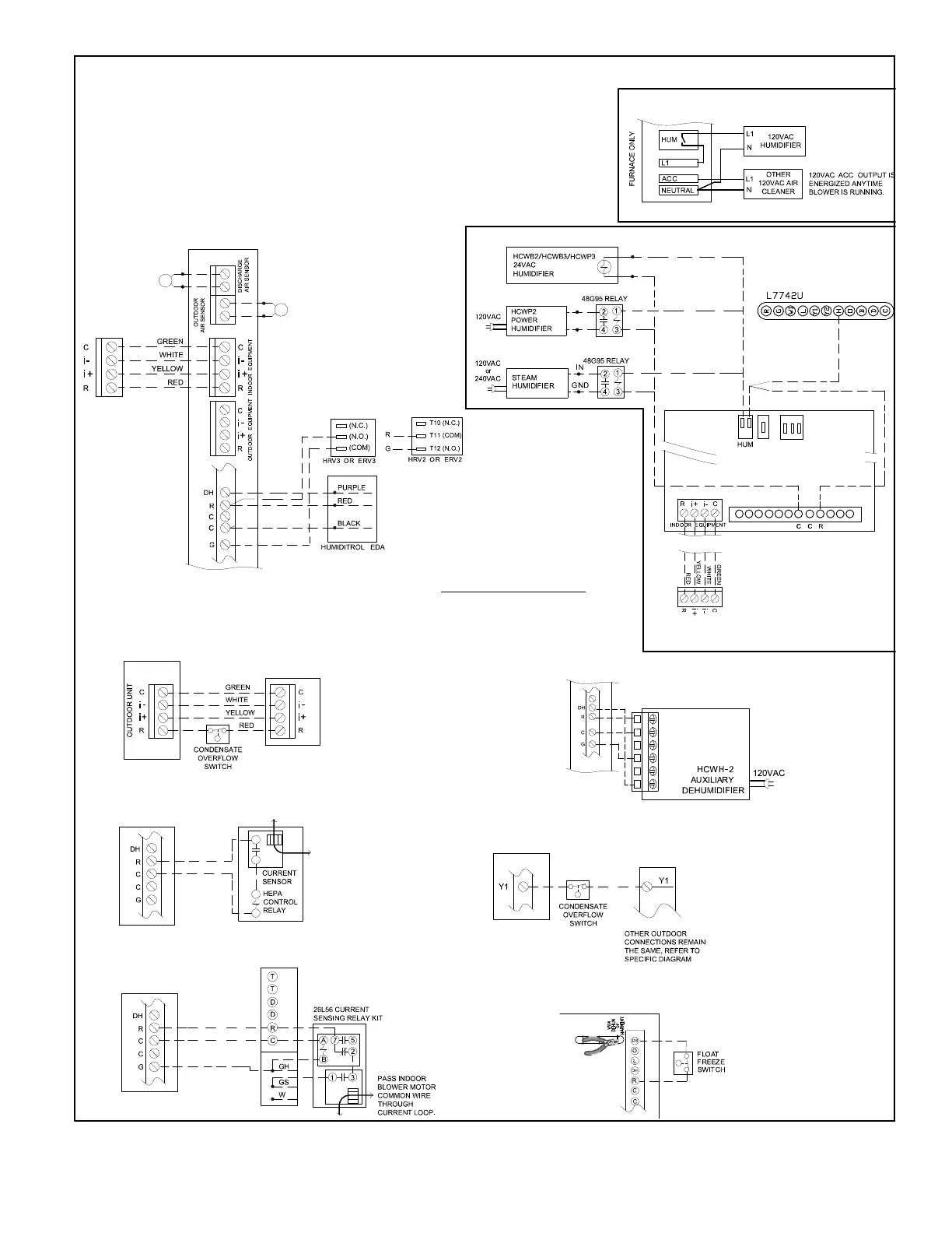
Optional Accessories for use with any Communicating System
NOTE: 24V UV LIGHT
APPLICATIONS
In an icomfort by Lennoxt system,
neither furnace nor air handler
trans
former will have adequate VA to
power 24V UV light applications. An
additional transformer for UV light
applications is required.
COMMUNICATING
THERMOSTAT
Discharge Air
Sensor (Required
for even heat)
NOTE: COMMUNICATING THERMOSTAT SENSES HUMIDITY &
CONTROLS HUM CONTACTS TO CYCLE HUMIDIFIER BASED ON
DEMAND. NO OTHER CONTROL OR HUMIDISTAT REQUIRED.
OPTIONAL OUTDOOR AIR SENSOR FOR USE WITH HUMIDIFIER
(IF NOT ALREADY IN THE SYSTEM FOR OTHER FUNCTIONS.
BUILT INTO ALL COMMUNICATING OUTDOOR UNITS).
Maximum total
length of all con
nections on the
RSBus is limited
to 1500ft.
Wire gauge of
RSBus wire is 18.
RSBus
Rf WGhGsCf
HVAC EQUIP
DEHUMIDIFIER
CONTROL
HVAC
EQUIPMENT
DH
STANDARD 1 OR 2
STAGE AC OR HP UNIT
*24V IN
JUMPER
COMMUNICATING
ENABLED FURNACE
COMMUNICATING
ENABLED FURNACE
THERMOSTAT
CONVENTIONAL
NON-COMMUNI
CATING SYSTEM
COMMUNICATING SYSTEM
CS 7000
THERMOSTAT
*24V IN jumper not used in non-
communicating configuration
24V HUMIDIFIER CONNECTIONS
120V CONNECTIONS
HEPA BYPASS FILTER X2680 HEPA INTERLOCK KIT
PASS INDOOR BLOWER
MOTOR COMMON WIRE
THROUGH CURRENT LOOP.
SEE HEPA INTERLOCK KIT
FOR INSTALLATION DE
TAILS
LVCS VENTILATION CONTROL SYSTEM
SEE LVCS VENTILATION
INSTRUCTIONS FOR
DAMPER & SENSOR WIRING
(POWER COMPANY INTERRUPTION SYSTEMS
ARE WIRED SAME AS OVERFLOW SWITCH)
CUT
R-DS
W914
DS
R
2 STAGE FURNACE
COMMUNICATING
SYSTEM WIRING
NON-COMMUNICATING
SYSTEM WIRING
“HUM” CONTACT IS
CLOSED ANYTIME
HUMIDITY DEMAND
IS PRESENT
COMMUNICATING
ENABLED FURNACE
COMMUNICATING
ENABLED OUTDOOR UNIT
COMMUNICATING
ENABLED FURNACE
COMMUNICATING
ENABLED FURNACE

Other manuals for Lennox SL280UHNV Series

Related product manuals