EasyManua.ls Logo

Lenze 8101 - Page 68

Lenze 8101
76 pages
Print Icon
To Next Page IconTo Next Page
To Next Page IconTo Next Page
To Previous Page IconTo Previous Page
To Previous Page IconTo Previous Page
Loading...
66
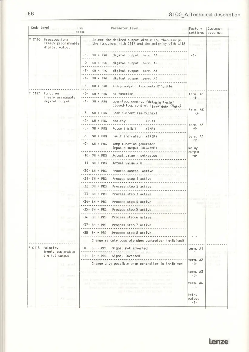
Code level
* C116 Preselection:
Freely programnable
digital output
PRG
<===>
Parameter level
8100_Ä Technical description
Select the desired output with C116, then assign
the functions with C117 and the polarity with C118
-----------------.---------------------------------------
-1- SH+ PRG digital output term. A1
---------------------------------------------------------
-2- SH + PRG digital output term. A2
--------------------.------------------------------------
-3- SH + PRG digital output term. A3
---------------------------------------------------------
-4- SH+ PRG digital output term. A4
---------------------------------------------------.-.---
-5- SH + PRG Relayoutput terminals KII. K14
Factory
I
customer
sett ings sett ings
-1-
.C117 Function
freelyassignable
digital output
1 1 1__.__._____
-0. SH + PRG no function
...-----------........---------.-.....-.-----------------
-1- SH+ PRG
open.loop control fd~fdni (Qmin)
closed-loop control fist~?cinin (Qmin)
term. A1
-1-
term. A2
-3-
term. A3
-9-
term. A4
-11-
Relay
output
-6-
1 , ,____.......
..-.-------------.--.....-----------............-.--.----
.3- SH+ PRG Peak current l imit(lmax)
.....-.------------.........--------...-.........-.------
-4- SH + PRG heal thy (RDY)
* C118 :~~:~~ t~sSignable
I
.:~: ..~~ .:.~~~--. ~~~~~~.~~~.~~~~~~~--- _--- __
I
te~~: A1
digital output -1- SH+ PRG Signal inverted
-------- ---- ... ... term.A2
Change only possible when controller is inhibited .0.
....-------------......---------.-............-.---------
-5- SH+ PRG Pulse inhibit «HP)
-.......-.---------.......-.-.-----.-.--...........------
-6- SH + PRG Faul t indication (TRIP)
--..--......----------.........----------.-..........-..-
.9. SH + PRG RBq) function generator
input =output (HLG/A=E)
-----------.............--------.--...........-..--------
.10. SH+ PRG Actual value =set-value
.............-.-------.--........------------------......
-11- SH+ PRG Actual value =D
..-..-.........---------...........---------------.......
-30- SH+ PRG Process control active
-.-......-.....--------.........------------------.-.....
.31. SH+ PRG Process step 1 active
-----.-------------......--------------.............-----
.32. SH+ PRG Process step 2 active
---------------.-........._._---------......-........----
.33. SH+ PRG Process step 3 active
---.-..-----------............-----..-----..--.........-.
.34. SH+ PRG Process step 4 active
..........---------.............---------.--.....--......
.35. SH + PRG Process step 5 act ive
------.---------............-.-----...........--.--------
.36. SH+ PRG Process step 6 active
..........-.--------....-.......------------.-......-.---
.37. SH + PRG process step 7 active
--------------.........-...-----.............-----------.
-38 SH + PRG Process step 8 act;ve
- --- ---- - --- ---- - -- -- --- - -- - - -- - --- --- -- -- - --- -- --- --I -1-
Change is only possible when controller inhibited!
term. A3
-0-
term. A4
-0-
Relay
output
-1-
Lenze

Related product manuals