EasyManua.ls Logo

Lenze 8101 - 9 Signalflow CHART

Lenze 8101
76 pages
Print Icon
To Next Page IconTo Next Page
To Next Page IconTo Next Page
To Previous Page IconTo Previous Page
To Previous Page IconTo Previous Page
Loading...
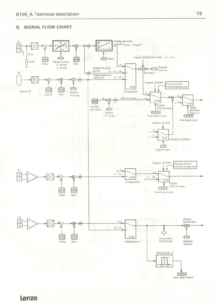
8100_A Technical description
9. SIGNAL FLOWCHART
X5
Scabng
Gain
XI
02
]l
Gain
Lenze
73
Keypad, lECOM(nolIot C005= .2-,-16-)
Gein
.().
Analog set-valus
L. bLpolar -1-,.11-,-13-
"':'1 Digitalltequency
L input (X5) -2', .16-
"7
RelativeI
absolute
Sel-value 1
COO5
Configut81ion
JOG set.values -1-
.1
--1
Scaling
10 I dmax
Dlgllal inputs
Fres dlgllaJ inputs
-..L
"'7
Display
aetual vaJue
-13-,-16-
CODS
Conliguration
Free digflal oulputs

Related product manuals