EasyManua.ls Logo

Lenze E82EV222K4C - Fig. 16.4-5 Signal Flow in the Motor Control; Motor Control (MCTRL1)

Lenze E82EV222K4C
588 pages
Print Icon
To Next Page IconTo Next Page
To Next Page IconTo Next Page
To Previous Page IconTo Previous Page
To Previous Page IconTo Previous Page
Loading...
Signal processing in the function blocks
Motor control (MCTRL1)
16
Signal-flow charts
16.4
16.4.5
L
16.4-5
EDS82EV903-1.0-11/2002
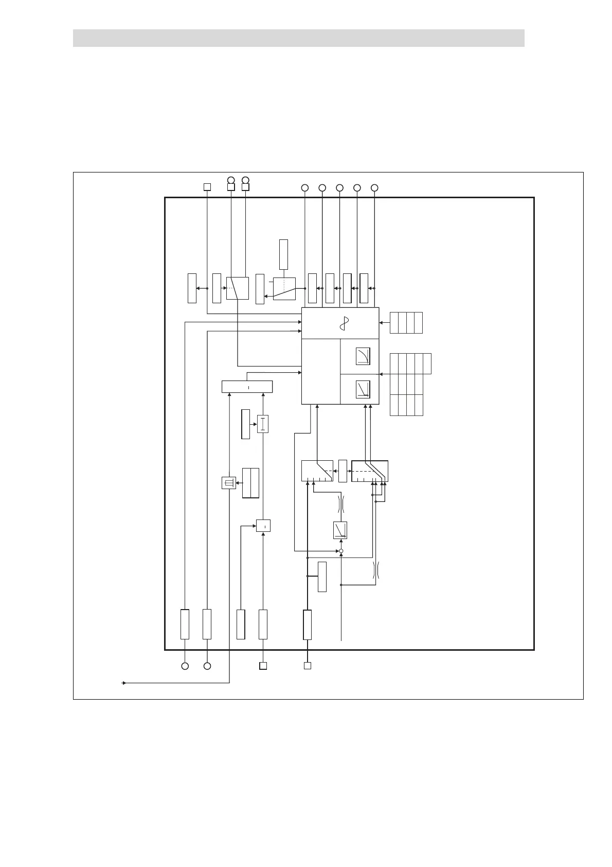
16.4.5 Motor control (MCTRL1)
MCTRL1-PHI-ADD
1
>
MCTRL1-DCB
Vector control
C0410/15
5
MCTRL1-NOUT
MCTRL1-NOUT+SLIP
MCTRL1-VOLT
MCTRL1-DCVOLT
MCRTL1-IMOT
MCTRL1-MOUT
MCTRL1-VOLT-ADD
MCTRL1
C0412/9
C0412/8
C0135.B14
1
>
C0050
PCTRL1-NOUT
C0107
t
0
4
3
2
0
5
4
3
2
C0047
C0047
-C0047
C0047
-C0047
C0412/6
MCTRL1-MSET
Imax
V/f-
characteristic
PWM
C0011
C0014
C0015
C0035
C0036
C0078
C0088
C0089
C0090
C0023
C0077
C0021
C0022
C0018
C0144
C0148
C0079
C0051
C0052
C0053
C0054
C0056
C0014
0,1
2
C0238
MCTRL1-MSET=MACT
MCTRL1-IMAX
C0014
2,3,4
5
C0019
C0106
C0014=2, 3: V/f-characteristic control
C0014=4, 5: Vector control
Auto-DCB
PCTRL1-SET3
8200vec515
Fig. 16.4-5 Signal flow in the motor control

Table of Contents

Related product manuals