EasyManua.ls Logo

Lenze EVF8215-EV020 - Connection Diagram

Lenze EVF8215-EV020
94 pages
Print Icon
To Next Page IconTo Next Page
To Next Page IconTo Next Page
To Previous Page IconTo Previous Page
To Previous Page IconTo Previous Page
Loading...
Installation
821XKlimaBA0399 4-11
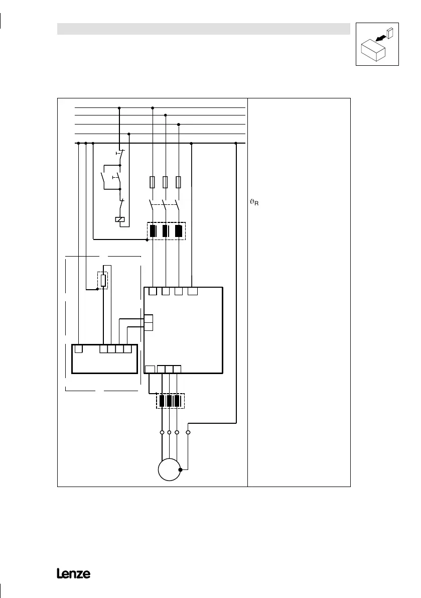
4.2.2.3 Connection diagram
L1
U
V
W
+UG
-UG
M
3~
PE
RB1
RB2
+UG
-UG
K10
K10
RB
L3
N
PE
8211 ... 8218
L1
L2
L2
L3
K10
F1 F2 F3
Z1
-X1
PE
PE
PE
PE
PE
PE
Z2
Z3
ϑ
RB
K35.0076
F1-F3 Fuses
K1 Mains contactor
Z1 Mains filter/mains
choke, see Accessories
Z2 Motor filter/sine filter,
see Accessories
Z3 Brake chopper/brake
module, see
Accessories
RB Brake resistor, see
Accessories
J
RB
Temperature monitoring
- brake resistor
X1 Terminal strip in control
cabinet
8214/8218 operation only with
assigned mains choke/mains
filter
FIG 4-5 821X power connections
Show/Hide Bookmarks

Table of Contents

Related product manuals