EasyManua.ls Logo

Lenze EVF8215-EV020 - Application Examples

Lenze EVF8215-EV020
94 pages
Print Icon
To Next Page IconTo Next Page
To Next Page IconTo Next Page
To Previous Page IconTo Previous Page
To Previous Page IconTo Previous Page
Loading...
Commissioning
821XKlimaBA0399 5-15
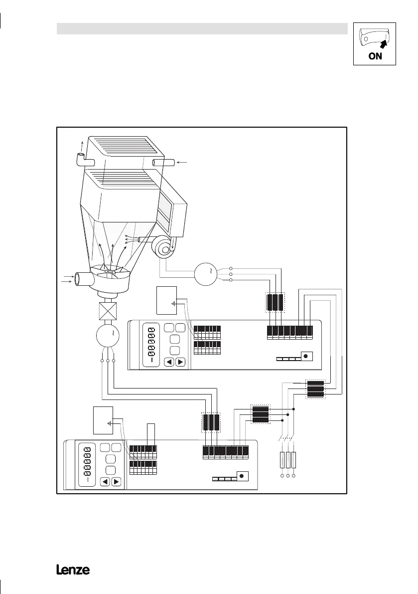
5.6 Application examples
5.6.1 Air conditioning
M
3
w
v
u
Z
1
*
Z
2
*
7
8
RUN
PRG
STP
SH
M
3
wv
u
Z
2
*
7
8
RUN
PRG
STP
SH
Z
1
*
K
1
F
1
L
1
L
2
L
3
E
3
L
L
39
W
V
U
-U
G
+U
G
L
1
L
3
L
2
W
V
U
-U
G
+U
G
L
1
L
3
L
2
DDC
V-belt
Mist
collector
Circulation
pump
Water
treatment
Heat
exchanger
Hot
water
Cold
water
Water
injection
-
Speed set-value
8210/20/40 with operating unit
Unit 1
Unit 2
DDC
Speed set-value
K35.82K001
FIG 5-1 Application example of an air conditioning system
*Z1 Mains filter required for radio interference level A or B.
*Z2 Motor filter required for motor cables: screened as from50 m, unscreened as from100 m.
Sine filter required for motor cables: screend as from100 m, unscreened as from 200 m.
Screen all signal and motorcables.
Show/Hide Bookmarks

Table of Contents

Related product manuals