EasyManua.ls Logo

Lenze EVF8215-EV020 - Page 61

Lenze EVF8215-EV020
94 pages
Print Icon
To Next Page IconTo Next Page
To Next Page IconTo Next Page
To Previous Page IconTo Previous Page
To Previous Page IconTo Previous Page
Loading...
Commissioning
821XKlimaBA0399 5-23
K35.0134GB
C008
0
.-7-
Influence
PID-controller
PID-controller
output
PID-controller
Auto DC brake
Q min
-1-....-5-
-6-,-7-
Configuration
C017
Q min
Q min-threshdd
1
0
Output-
frequency
Stop, auto DC brake,
Imax
E1 E2 E3 E4
E1 E2 E3 E4
E1 E2 E3 E4
E1 E2 E3 E4
1
-1
Influence 0
Display actual value
C005=-3- Torque limitation,
C005=-4- Torque set-value,
C005=-5- Motor current control (C014=-4-)
0
Keypad, LECOM,
Motor potentiometer function
Terminal
plug on
mudule
Standardisation
frequency input
Offset
Offset
Gain
Gain
Master current
0...20 mA
4...20 mA
inverse set value
Analog set-value
unipolar ( fdmin .. fdmax )
Skip frequencies
Keypad, LECOM,
Motor potentiometer function
Speed limitation with
torque control
C005=5
Keypad,
LECOM
JOG-set-value -1- ... -3-
3 JOG-
set-value
Free digital
inputs
Configuration
Enable
JOG value
Direction of rotation
Digital inputs
Configuration
Display add. set-value
Configuration
Configuration
1,5*INunit
Ctrl. enable
DC brake
LU, OU
Reset
Reset I component
Free digital
inputs
Free digital
inputs
Frequence
precontrol
Keypad,LECOM
Ctrl. enable
DC brake
Reset
Ramp function generator
RFG S shape
Ti S shape
8
7
X1
S1/4
250R
C050
f
dmax
-f
dmax
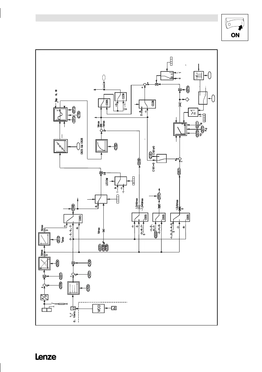
FIG 5-5 Process and speed controller for C005 = 1 ... 7
Show/Hide Bookmarks

Table of Contents

Related product manuals