EasyManua.ls Logo

Lenze EVF9331 - Edsvf9333 V en 3.0-06;2005

Lenze EVF9331
459 pages
Print Icon
To Next Page IconTo Next Page
To Next Page IconTo Next Page
To Previous Page IconTo Previous Page
To Previous Page IconTo Previous Page
Loading...
Wiring the standard device
Basic devices in the power range 0.37 ... 11 kW
Wiring according to EMC (CE-typical drive system)
5
5.4
5.4.1
5.4-2
EDSVF9333V EN 3.0-06/2005
K10
L1
L2
L3
N
PE
F1 F3
EVF9321
EVF9333
9352
PE
PE
PES
PES PES
PES
PESPES
28
E1
E2
E3
E5
E4
ST1
ST2
39
A1
A3
A2
A4
59
X5
33
34
K32
K31
IN2
IN3
IN4
IN1
X11
GND
LO
HI
X4
PE
U
VW
T1 T2
+UG
+UG
-UG
-UG
S1
K10
K10
S2
PE L1 L2
L3
DC 24 V
Z1
+
PES
PES
3
7
4
63
2
62
1
7
X6
PE
PES
PES
PE PE
M
3~
J>
PES PES
M
3~
KTY
X8/5
X8/8
PESPES
PESPES PESPES
PESPES PESPES
PEPE
Z4Z3
JRB
RB
RB2
RB2 T2T1
RB1
RB1
PEPE
PE
Z2
X8
X9
X10
9300VEC108
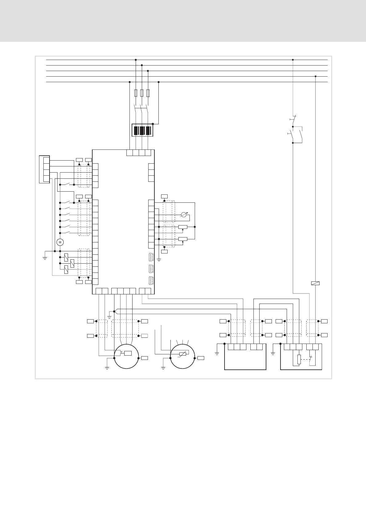
Fig. 5.4-1 Example for wiring in accordance with EMC regulations
F1 ... F3 Fuses
K10 Mains contactor
Z1 Programmable logic controller (PLC)
Z2 Mains choke or mains filter
Z3 Brake chopper EMB9352-E
Z4 Brake resistor
S1 Mains contactor on
S2 Mains contactor off
+U
G
,-U
G
DC-bus connection
PES HF shield termination through large-surface connection to PE

Table of Contents

Other manuals for Lenze EVF9331

Related product manuals