EasyManua.ls Logo

Lenze EVS9323-ES - Page 125

Lenze EVS9323-ES
189 pages
To Next Page IconTo Next Page
To Next Page IconTo Next Page
To Previous Page IconTo Previous Page
To Previous Page IconTo Previous Page
Loading...
Appendix
11-6
BA9300SU EN 2.1
9300std023
3
4
C
0
0
2
7
/
2
C
0
0
2
6
/
2
A
I
N
2
+
+
E
1
E
2
E
3
E
4
E
5
1
0
C
0
1
1
4
/
1
.
.
.
5
D
I
G
I
N
D
I
G
I
N
1
D
I
G
I
N
2
D
I
G
I
N
3
D
I
G
I
N
4
R
L
R
/
L
Q
S
P
R
/
L
/
Q
T
R
I
P
-
S
E
T
T
R
I
P
-
R
E
S
E
T
A
N
E
G
C
0
4
7
2
/
3
A
1
A
2
A
3
A
4
1
0
C
0
1
1
8
/
1
.
.
.
4
D
I
G
O
U
T
D
I
G
O
U
T
1
D
I
G
O
U
T
2
D
I
G
O
U
T
3
D
I
G
O
U
T
4
C
0
0
1
7
T
R
I
P
R
D
Y
M
M
A
X
N
A
C
T
=
0
D
I
G
I
N
5
F
I
X
E
D
0
C
0
6
8
0
C
0
6
8
1
C
0
6
8
3
/
1
C
M
P
1
*
-
1
1
2
C
0
0
3
4
C
0
0
2
7
/
1
C
0
0
2
6
/
1
A
I
N
1
+
+
Q
S
P
FIXED
1
F
I
X
E
D
0
F
I
X
E
D
0
%
X
5
X
6
X
6
X
5
1
0
C
0
1
0
5
C
0
2
5
4
+
-
C
0
9
0
8
C
0
0
7
0
C
0
0
7
1
+
-
1
+
1
0
C
0
0
2
2
C
0
0
8
1
C
0
0
8
7
C
0
0
8
8
C
0
0
8
9
C
0
0
9
0
C
0
0
9
1
P
W
M
C
0
4
2
0
C
0
4
9
0
C
0
4
9
5
M
C
T
R
L
-
P
H
I
-
S
E
T
M
C
T
R
L
-
N
2
-
L
I
M
M
C
T
R
L
-
M
-
A
D
D
M
C
T
R
L
-
P
H
I
-
L
I
M
M
C
T
R
L
-
P
H
I
-
O
N
C
0
9
0
6
/
2
M
C
T
R
L
-
N
-
S
E
T
V
E
C
T
-
C
T
R
L
M
C
T
R
L
-
N
S
E
T
2
M
C
T
R
L
M
C
T
R
L
-
N
A
C
T
M
C
T
R
L
-
P
H
I
-
A
C
T
C
0
9
0
6
/
6
C
0
9
0
6
/
1
M
C
T
R
L
-
M
S
E
T
2
M
C
T
R
L
-
N
/
M
-
S
W
T
1
0
M
C
T
R
L
-
H
I
-
M
-
L
I
M
M
C
T
R
L
-
L
O
-
M
-
L
I
M
C
0
0
5
1
+
+
C
0
0
5
0
C
0
0
1
8
C
0
0
0
6
C
0
0
8
4
C
0
0
8
5
C
0
0
8
6
C
0
0
2
5
M
C
T
R
L
-
M
M
A
X
M
C
T
R
L
-
I
M
A
X
C
0
9
0
9
C
0
0
1
1
1
0
0
%
C
0
0
5
6
C
0
0
7
2
C
0
9
0
6
/
5
C
0
9
0
7
/
1
M
C
T
R
L
-
F
L
D
-
W
E
A
K
C
0
9
0
6
/
7
M
C
T
R
L
-
I
-
S
E
T
C
0
9
0
6
/
8
M
C
T
R
L
-
I
-
L
O
A
D
C
0
9
0
7
/
4
M
C
T
R
L
-
Q
S
P
C
0
9
0
7
/
3
C
0
9
0
7
/
2
C
0
9
0
6
/
3
C
0
9
0
6
/
4
C
0
8
9
3
C
0
8
9
2
C
0
8
9
9
C
0
9
0
0
C
0
9
0
2
C
0
9
0
1
C
0
8
9
0
C
0
8
9
4
C
0
8
9
5
C
0
8
9
7
C
0
8
9
6
C
0
8
9
1
C
0
8
9
8
M
C
T
R
L
-
Q
S
P
-
O
U
T
R
E
S
O
L
V
E
R
E
N
C
O
D
E
R
D
C
T
R
L
-
Q
S
P
M
C
T
R
L
-
M
A
C
T
M
C
T
R
L
-
D
C
V
O
L
T
C
0
0
4
2
M
C
T
R
L
-
P
H
I
-
A
N
A
C
O
N
S
T
+
+
C
0
4
9
7
X
7
X
8
M
C
T
R
L
-
P
H
I
-
A
N
G
C
0
0
7
5
C
0
0
7
6
C
0
0
7
7
C
0
0
7
8
M
C
T
R
L
-
I
A
C
T
C
0
0
3
0
C
0
5
4
0
C
T
R
L
D
F
O
U
T
-
A
N
-
I
N
C
0
5
4
7
C
0
5
4
1
D
F
O
U
T
-
D
F
-
I
N
C
0
5
4
9
C
0
5
4
2
C
0
5
4
8
C
0
5
4
4
D
F
O
U
T
-
S
Y
N
-
R
D
Y
D
F
O
U
T
-
O
U
T
D
F
O
U
T
C
0
5
4
5
1
0
2
3
4
5
X
8
X
9
X
1
0
C
0
5
4
0
E
5
X
5
C
0
1
3
4
C
0
1
8
2
C
I
N
H
*
-
1
C
0
0
3
9
/
1
C
0
0
3
9
/
1
5
C
0
0
3
9
/
2
C
0
1
0
3
/
1
C
0
1
0
3
/
1
5
C
0
1
0
3
/
2
C
0
1
0
1
/
1
C
0
1
0
1
/
1
5
C
0
1
0
1
/
2
C
0
0
1
2
C
0
0
1
3
+
-
*
/
x
/
(
1
-
y
)
*
-
1
C
0
1
9
0
x
y
C
I
N
H
C
0
2
2
0
/
C
0
2
2
1
N
S
E
T
C
0
0
4
6
C
0
0
4
9
N
S
E
T
-
N
A
D
D
N
S
E
T
-
N
1
0
1
0
D
M
U
X
0
3
0
1
5
N
S
E
T
-
N
A
D
D
-
I
N
V
N
S
E
T
-
J
O
G
*
1
N
S
E
T
-
J
O
G
*
2
N
S
E
T
-
J
O
G
*
4
N
S
E
T
-
J
O
G
*
8
D
M
U
X
0
3
0
1
5
N
S
E
T
-
T
I
*
1
N
S
E
T
-
T
I
*
2
N
S
E
T
-
T
I
*
4
N
S
E
T
-
T
I
*
8
J
O
G
1
.
.
.
1
5
T
I
0
.
.
.
1
5
N
S
E
T
-
N
-
I
N
V
N
S
E
T
-
R
F
G
-
S
T
O
P
N
S
E
T
-
R
F
G
-
0
C
0
2
4
1
N
S
E
T
-
N
O
U
T
N
S
E
T
-
R
F
G
-
I
=
0
N
S
E
T
-
S
E
T
N
S
E
T
-
L
O
A
D
N
S
E
T
-
C
I
N
H
-
V
A
L
C
0
7
9
9
/
1
C
0
7
9
9
/
1
2
C
0
7
9
9
/
1
3
C
0
7
9
8
/
1
C
0
7
9
8
/
2
C
0
7
9
9
/
2
C
0
7
9
9
/
3
C
0
7
8
4
C
0
7
9
0
C
0
7
8
9
C
0
7
8
1
C
0
7
8
0
C
0
7
8
7
/
1
C
0
7
8
8
/
1
C
0
7
8
5
C
0
7
8
6
C
0
7
8
3
C
0
7
8
2
C
0
7
8
7
/
2
C
0
7
8
7
/
3
C
0
7
8
7
/
4
C
0
7
8
8
/
2
C
0
7
8
8
/
3
C
0
7
8
8
/
4
C
0
1
3
0
C
0
0
4
5
2
0
0
%
F
I
X
E
D
0
C
0
4
7
2
/
4
M
T
C
R
L
-
N
S
E
T
2
M
C
T
R
L
-
Q
S
P
-
O
U
T
M
C
T
R
L
-
N
A
C
T
F
I
X
E
D
0
%
F
I
X
E
D
0
I
N
C
F
I
X
E
D
1
0
0
%
F
I
X
E
D
0
F
I
X
E
D
-
P
H
I
-
0
6
3
A
O
U
T
2
C
4
3
9
/
1
+
+
A
O
U
T
2
-
I
N
A
O
U
T
2
-
G
A
I
N
A
O
U
T
2
-
O
F
F
S
E
T
C
0
4
3
9
/
3
C
0
4
3
9
/
2
C
0
4
3
6
C
0
4
3
8
C
0
4
3
7
X
6
6
2
A
O
U
T
1
C
4
3
4
/
1
+
+
A
O
U
T
1
-
I
N
A
O
U
T
1
-
G
A
I
N
A
O
U
T
1
-
O
F
F
S
E
T
C
0
4
3
4
/
3
C
0
4
3
4
/
2
C
0
4
3
1
C
0
4
3
3
C
0
4
3
2
X
6
R
/
L
/
Q
-
Q
S
P
Linking of m
ain
and
additional
setpoint
S-shape
Ram
p
generator main
setpoint
o
Ramp generator additional setpoint
Current controller
Torque
limitation
-
Speed
limitation
A
ct. speed
Phase
controller
QSP decel. ram
p
Speed controller
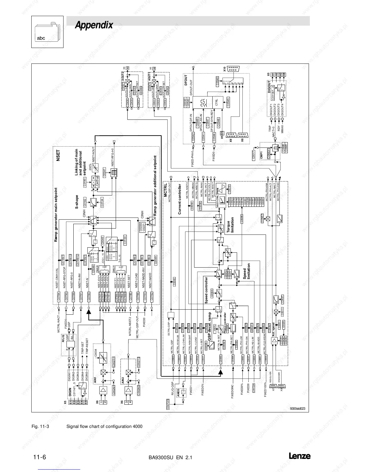
Fig. 11-3 Signal flow chart of configuration 4000

Table of Contents

Related product manuals